-
Главная
- TN92, TN92GG, TN93 Ввертные адаптеры (штуцер в тело-труба)
TN92, TN92GG, TN93 Ввертные адаптеры (штуцер в тело-труба)
Показать Сайдбар
Каталог
Трубопроводная арматура
- Трубные соединения (Адаптеры по DIN 2353/ISO8434-1)
- Штуцеры и адаптеры для РВД
- Зажимы для гидравлических труб
- Труба прецизионная
Системы смазки
Шланги и Рукава высокого давления
- Стандартные шланги высокого давления
- Специальные шланги высокого давления
- Термопластиковые рукава
- Тефлоновые рукава (PTFE)
Фитинги и муфты для РВД
Защита для РВД
- Гильза обжимная
- Пластиковая защита для РВД
- Металлическая защитная спираль для РВД
- Текстильная защита для РВД
- Огнеупорная защита для РВД
Элементы контроля и диагностики гидросистем
- Манометры
- Контрольные точки
- Микрошланги
- Муфты и фитинги для микрошлангов
- Адапторы для манометров
- Краны "anti-shock" для манометров
- Расходомеры гидравлические
- Указатели уровня масла и температуры
- Диагностические наборы
Уплотнения
- Кольца USIT
- Кольцо резиновое для ORFS
- Кольца круглого сечения ГОСТ 9833-73
- Наборы уплотнительных колец O-RING
Быстроразъемные соединения (БРС)
- БРС ISO 7241-1 A (ISO A)
- БРС ISO 7241-1 B (ISO B)
- Шариковые БРС специальных серий
- БРС FIRG/FLAT FACE ISO 16028
- БРС FLAT FACE различных серий
- БРС на высокое давление 700 bar (серия HPA)
- Резьбовые БРС различных серий
- Заглушки для БРС
Элементы гидросистем
- Краны и диверторы
- Клапана
- Плиты гидравлические
- Гидрораспределители
- Колокола и муфты
- Гидробаки
- Фильтры и фильтроэлементы
- Теплообменники
- Гидроаккумуляторы
- Насосы
Промышленные рукава
Промышленная арматура
Хомуты
Гидростанции и станции фильтрации и перекачки
Показать Сайдбар
TN92GG-20SM22x1,5 Объекты каталога Основные параметры Поле title TN92GG-20SM22x1,5 Поле h1 TN92GG-20SM22x1,5 Ценовые свойства Цена 0 Склады Общее количество на складах 0 Основные характеристики Артикул 100638.1 Старая цена 0 Описание Ввертные адаптеры (штуцер в тело-труба) с уплотнительной вставкой - резьбовое соединение с метрической наружной резьбой по DIN2353/ISO8434-1 под трубы или рвд с одной стороны и с наружной резьбой в тело с уплотнением с другой. Поставляется без колец и гаек (для поставки в комплекте просьба указывать - в сборе). Устанавливаются на трубу с помощью врезного кольца и гайки. Врезное кольцо помогает быстро собрать и разобрать соединение, избегая развальцовки, сварки и нарезания резьбы, обеспечивая, таким образом, максимальную простоту и надежность соединения.<br /> Во время закручивания гайки, врезное кольцо деформирует трубу под воздействием силы закручивания и конуса 24° устанавливаемых фитингов. Врезка происходит в двух местах. Первая врезка или уплотнение происходит на конце трубы, позволяя сделать соединение влагонепроницаемым с одной стороны и антираскручиваемым с другой. Вторая врезка (невидимая, так как находится внутри соединения под кольцом), предотвращает воздействие вибрации на первое уплотнение, удерживает кольцо на заданном расстоянии от конца трубы. оригинальная цена 0 Изображения Картинка /images/cms/data/import_files/e1/tn92gg-20sm22x1_5_524_3.jpg 1C: Специфические свойства Резьба 1 Резьба 2 Выгружать на сайт Страница из каталога Каталог Производитель Тип Серия Диаметр трубы (мм) Тип резьбы (в тело) 1C: Общие свойства Идентификатор каталога 1С 2bc64318-c7bc-4eee-9474-0425ab0962b8 Идентификатор в 1С e1181d98-08b9-11e6-ab07-c81f66120f75
Артикул: 100638.1
TN92GG-20SM22x1,5
В наличии
Цена: По запросу
TN92GG-16SM18x1,5 Объекты каталога Основные параметры Поле title TN92GG-16SM18x1,5 Поле h1 TN92GG-16SM18x1,5 Ценовые свойства Цена 94.62 Склады Общее количество на складах 7 Основные характеристики Артикул 100637.1 Старая цена 0 Описание Ввертные адаптеры (штуцер в тело-труба) с уплотнительной вставкой - резьбовое соединение с метрической наружной резьбой по DIN2353/ISO8434-1 под трубы или рвд с одной стороны и с наружной резьбой в тело с уплотнением с другой. Поставляется без колец и гаек (для поставки в комплекте просьба указывать - в сборе). Устанавливаются на трубу с помощью врезного кольца и гайки. Врезное кольцо помогает быстро собрать и разобрать соединение, избегая развальцовки, сварки и нарезания резьбы, обеспечивая, таким образом, максимальную простоту и надежность соединения.<br /> Во время закручивания гайки, врезное кольцо деформирует трубу под воздействием силы закручивания и конуса 24° устанавливаемых фитингов. Врезка происходит в двух местах. Первая врезка или уплотнение происходит на конце трубы, позволяя сделать соединение влагонепроницаемым с одной стороны и антираскручиваемым с другой. Вторая врезка (невидимая, так как находится внутри соединения под кольцом), предотвращает воздействие вибрации на первое уплотнение, удерживает кольцо на заданном расстоянии от конца трубы. оригинальная цена 0 Изображения Картинка /images/cms/data/import_files/e1/tn92gg-16sm18x1_5_524_3.jpg 1C: Специфические свойства Резьба 1 Резьба 2 Выгружать на сайт Страница из каталога Каталог Производитель Тип Серия Диаметр трубы (мм) Тип резьбы (в тело) 1C: Общие свойства Идентификатор каталога 1С 2bc64318-c7bc-4eee-9474-0425ab0962b8 Идентификатор в 1С e1181d97-08b9-11e6-ab07-c81f66120f75
Артикул: 100637.1
TN92GG-16SM18x1,5
В наличии
Цена: По запросу
TN92GG-12SM22x1,5 Объекты каталога Основные параметры Поле title TN92GG-12SM22x1,5 Поле h1 TN92GG-12SM22x1,5 Ценовые свойства Цена 685.22 Склады Общее количество на складах 0 Основные характеристики Артикул 100636.1 Старая цена 0 Описание Ввертные адаптеры (штуцер в тело-труба) с уплотнительной вставкой - резьбовое соединение с метрической наружной резьбой по DIN2353/ISO8434-1 под трубы или рвд с одной стороны и с наружной резьбой в тело с уплотнением с другой. Поставляется без колец и гаек (для поставки в комплекте просьба указывать - в сборе). Устанавливаются на трубу с помощью врезного кольца и гайки. Врезное кольцо помогает быстро собрать и разобрать соединение, избегая развальцовки, сварки и нарезания резьбы, обеспечивая, таким образом, максимальную простоту и надежность соединения.<br /> Во время закручивания гайки, врезное кольцо деформирует трубу под воздействием силы закручивания и конуса 24° устанавливаемых фитингов. Врезка происходит в двух местах. Первая врезка или уплотнение происходит на конце трубы, позволяя сделать соединение влагонепроницаемым с одной стороны и антираскручиваемым с другой. Вторая врезка (невидимая, так как находится внутри соединения под кольцом), предотвращает воздействие вибрации на первое уплотнение, удерживает кольцо на заданном расстоянии от конца трубы. оригинальная цена 0 Изображения Картинка /images/cms/data/import_files/e1/tn92gg-12sm22x1_5_524_3.jpg 1C: Специфические свойства Резьба 1 Резьба 2 Выгружать на сайт Страница из каталога Каталог Производитель Тип Серия Диаметр трубы (мм) Тип резьбы (в тело) 1C: Общие свойства Идентификатор каталога 1С 2bc64318-c7bc-4eee-9474-0425ab0962b8 Идентификатор в 1С e1181d96-08b9-11e6-ab07-c81f66120f75
Артикул: 100636.1
TN92GG-12SM22x1,5
В наличии
Цена: По запросу
TN92GG-8LLM10x1 Объекты каталога Основные параметры Поле title TN92GG-8LLM10x1 Поле h1 TN92GG-8LLM10x1 Ценовые свойства Цена 0 Склады Общее количество на складах 0 Основные характеристики Артикул 100603.1 Старая цена 0 Описание Ввертные адаптеры (штуцер в тело-труба) с уплотнительной вставкой - резьбовое соединение с метрической наружной резьбой по DIN2353/ISO8434-1 под трубы или рвд с одной стороны и с наружной резьбой в тело с уплотнением с другой. Поставляется без колец и гаек (для поставки в комплекте просьба указывать - в сборе). Устанавливаются на трубу с помощью врезного кольца и гайки. Врезное кольцо помогает быстро собрать и разобрать соединение, избегая развальцовки, сварки и нарезания резьбы, обеспечивая, таким образом, максимальную простоту и надежность соединения.<br /> Во время закручивания гайки, врезное кольцо деформирует трубу под воздействием силы закручивания и конуса 24° устанавливаемых фитингов. Врезка происходит в двух местах. Первая врезка или уплотнение происходит на конце трубы, позволяя сделать соединение влагонепроницаемым с одной стороны и антираскручиваемым с другой. Вторая врезка (невидимая, так как находится внутри соединения под кольцом), предотвращает воздействие вибрации на первое уплотнение, удерживает кольцо на заданном расстоянии от конца трубы. оригинальная цена 0 Изображения Картинка /images/cms/data/import_files/e1/tn92gg-8llm10x1_524_3.jpg 1C: Специфические свойства Резьба 1 Резьба 2 Выгружать на сайт Страница из каталога Каталог Производитель Тип Серия Диаметр трубы (мм) Тип резьбы (в тело) 1C: Общие свойства Идентификатор каталога 1С 2bc64318-c7bc-4eee-9474-0425ab0962b8 Идентификатор в 1С e1181d95-08b9-11e6-ab07-c81f66120f75
Артикул: 100603.1
TN92GG-8LLM10x1
В наличии
Цена: По запросу
TN92GG-6LLM10x1 Объекты каталога Основные параметры Поле title TN92GG-6LLM10x1 Поле h1 TN92GG-6LLM10x1 Ценовые свойства Цена 0 Склады Общее количество на складах 0 Основные характеристики Артикул 100602.1 Старая цена 0 Описание Ввертные адаптеры (штуцер в тело-труба) с уплотнительной вставкой - резьбовое соединение с метрической наружной резьбой по DIN2353/ISO8434-1 под трубы или рвд с одной стороны и с наружной резьбой в тело с уплотнением с другой. Поставляется без колец и гаек (для поставки в комплекте просьба указывать - в сборе). Устанавливаются на трубу с помощью врезного кольца и гайки. Врезное кольцо помогает быстро собрать и разобрать соединение, избегая развальцовки, сварки и нарезания резьбы, обеспечивая, таким образом, максимальную простоту и надежность соединения.<br /> Во время закручивания гайки, врезное кольцо деформирует трубу под воздействием силы закручивания и конуса 24° устанавливаемых фитингов. Врезка происходит в двух местах. Первая врезка или уплотнение происходит на конце трубы, позволяя сделать соединение влагонепроницаемым с одной стороны и антираскручиваемым с другой. Вторая врезка (невидимая, так как находится внутри соединения под кольцом), предотвращает воздействие вибрации на первое уплотнение, удерживает кольцо на заданном расстоянии от конца трубы. оригинальная цена 0 Изображения Картинка /images/cms/data/import_files/e1/tn92gg-6llm10x1_524_3.jpg 1C: Специфические свойства Резьба 1 Резьба 2 Выгружать на сайт Страница из каталога Каталог Производитель Тип Серия Диаметр трубы (мм) Тип резьбы (в тело) 1C: Общие свойства Идентификатор каталога 1С 2bc64318-c7bc-4eee-9474-0425ab0962b8 Идентификатор в 1С e1181d94-08b9-11e6-ab07-c81f66120f75
Артикул: 100602.1
TN92GG-6LLM10x1
В наличии
Цена: По запросу
TN92GG-4LLM8x1 Объекты каталога Основные параметры Поле title TN92GG-4LLM8x1 Поле h1 TN92GG-4LLM8x1 Ценовые свойства Цена 0 Склады Общее количество на складах 0 Основные характеристики Артикул 100601.1 Старая цена 0 Описание Ввертные адаптеры (штуцер в тело-труба) с уплотнительной вставкой - резьбовое соединение с метрической наружной резьбой по DIN2353/ISO8434-1 под трубы или рвд с одной стороны и с наружной резьбой в тело с уплотнением с другой. Поставляется без колец и гаек (для поставки в комплекте просьба указывать - в сборе). Устанавливаются на трубу с помощью врезного кольца и гайки. Врезное кольцо помогает быстро собрать и разобрать соединение, избегая развальцовки, сварки и нарезания резьбы, обеспечивая, таким образом, максимальную простоту и надежность соединения.<br /> Во время закручивания гайки, врезное кольцо деформирует трубу под воздействием силы закручивания и конуса 24° устанавливаемых фитингов. Врезка происходит в двух местах. Первая врезка или уплотнение происходит на конце трубы, позволяя сделать соединение влагонепроницаемым с одной стороны и антираскручиваемым с другой. Вторая врезка (невидимая, так как находится внутри соединения под кольцом), предотвращает воздействие вибрации на первое уплотнение, удерживает кольцо на заданном расстоянии от конца трубы. оригинальная цена 0 Изображения Картинка /images/cms/data/import_files/e1/tn92gg-4llm8x1_524_3.jpg 1C: Специфические свойства Резьба 1 Резьба 2 Выгружать на сайт Каталог Производитель Тип Серия Диаметр трубы (мм) Тип резьбы (в тело) 1C: Общие свойства Идентификатор каталога 1С 2bc64318-c7bc-4eee-9474-0425ab0962b8 Идентификатор в 1С e1181d93-08b9-11e6-ab07-c81f66120f75
Артикул: 100601.1
TN92GG-4LLM8x1
В наличии
Цена: По запросу
TN92-30SM33x2 Объекты каталога Основные параметры Поле title TN92-30SM33x2 Поле h1 TN92-30SM33x2 Ценовые свойства Цена 0 Склады Общее количество на складах 0 Основные характеристики Артикул 100440.1 Старая цена 0 Описание Ввертные адаптеры (штуцер в тело-труба) - резьбовое соединение с метрической наружной резьбой по DIN2353/ISO8434-1 под трубы или рвд с одной стороны и с наружной резьбой в тело без уплотнения с другой (дополнительно для уплотнения необходимо заказывать уплотнительные кольца - USIT). Поставляется без врезных колец и гаек (для поставки в комплекте просьба указывать - в сборе). Устанавливаются на трубу с помощью врезного кольца и гайки. Врезное кольцо помогает быстро собрать и разобрать соединение, избегая развальцовки, сварки и нарезания резьбы, обеспечивая, таким образом, максимальную простоту и надежность соединения.<br /> Во время закручивания гайки, врезное кольцо деформирует трубу под воздействием силы закручивания и конуса 24° устанавливаемых фитингов. Врезка происходит в двух местах. Первая врезка или уплотнение происходит на конце трубы, позволяя сделать соединение влагонепроницаемым с одной стороны и антираскручиваемым с другой. Вторая врезка (невидимая, так как находится внутри соединения под кольцом), предотвращает воздействие вибрации на первое уплотнение, удерживает кольцо на заданном расстоянии от конца трубы. оригинальная цена 0 Изображения Картинка /images/cms/data/import_files/e8/tn92-30sm33x2_524_3.jpg 1C: Специфические свойства Резьба 1 Резьба 2 Выгружать на сайт Страница из каталога Каталог Производитель Тип Серия Диаметр трубы (мм) Тип резьбы (в тело) 1C: Общие свойства Идентификатор каталога 1С 2bc64318-c7bc-4eee-9474-0425ab0962b8 Идентификатор в 1С e89d1abb-0861-11e6-ab07-c81f66120f75
Артикул: 100440.1
TN92-30SM33x2
В наличии
Цена: По запросу
TN92-20SM22x1,5 Объекты каталога Основные параметры Поле title TN92-20SM22x1,5 Поле h1 TN92-20SM22x1,5 Ценовые свойства Цена 0 Склады Общее количество на складах 0 Основные характеристики Артикул 100438.1 Старая цена 0 Описание Ввертные адаптеры (штуцер в тело-труба) - резьбовое соединение с метрической наружной резьбой по DIN2353/ISO8434-1 под трубы или рвд с одной стороны и с наружной резьбой в тело без уплотнения с другой (дополнительно для уплотнения необходимо заказывать уплотнительные кольца - USIT). Поставляется без врезных колец и гаек (для поставки в комплекте просьба указывать - в сборе). Устанавливаются на трубу с помощью врезного кольца и гайки. Врезное кольцо помогает быстро собрать и разобрать соединение, избегая развальцовки, сварки и нарезания резьбы, обеспечивая, таким образом, максимальную простоту и надежность соединения.<br /> Во время закручивания гайки, врезное кольцо деформирует трубу под воздействием силы закручивания и конуса 24° устанавливаемых фитингов. Врезка происходит в двух местах. Первая врезка или уплотнение происходит на конце трубы, позволяя сделать соединение влагонепроницаемым с одной стороны и антираскручиваемым с другой. Вторая врезка (невидимая, так как находится внутри соединения под кольцом), предотвращает воздействие вибрации на первое уплотнение, удерживает кольцо на заданном расстоянии от конца трубы. оригинальная цена 0 Изображения Картинка /images/cms/data/import_files/e8/tn92-20sm22x1_5_524_3.jpg 1C: Специфические свойства Резьба 1 Резьба 2 Выгружать на сайт Страница из каталога Каталог Производитель Тип Серия Диаметр трубы (мм) Тип резьбы (в тело) 1C: Общие свойства Идентификатор каталога 1С 2bc64318-c7bc-4eee-9474-0425ab0962b8 Идентификатор в 1С e89d1aba-0861-11e6-ab07-c81f66120f75
Артикул: 100438.1
TN92-20SM22x1,5
В наличии
Цена: По запросу
TN92-16SM18x1,5 Объекты каталога Основные параметры Поле title TN92-16SM18x1,5 Поле h1 TN92-16SM18x1,5 Ценовые свойства Цена 0 Склады Общее количество на складах 0 Основные характеристики Артикул 100437.1 Старая цена 0 Описание Ввертные адаптеры (штуцер в тело-труба) - резьбовое соединение с метрической наружной резьбой по DIN2353/ISO8434-1 под трубы или рвд с одной стороны и с наружной резьбой в тело без уплотнения с другой (дополнительно для уплотнения необходимо заказывать уплотнительные кольца - USIT). Поставляется без врезных колец и гаек (для поставки в комплекте просьба указывать - в сборе). Устанавливаются на трубу с помощью врезного кольца и гайки. Врезное кольцо помогает быстро собрать и разобрать соединение, избегая развальцовки, сварки и нарезания резьбы, обеспечивая, таким образом, максимальную простоту и надежность соединения.<br /> Во время закручивания гайки, врезное кольцо деформирует трубу под воздействием силы закручивания и конуса 24° устанавливаемых фитингов. Врезка происходит в двух местах. Первая врезка или уплотнение происходит на конце трубы, позволяя сделать соединение влагонепроницаемым с одной стороны и антираскручиваемым с другой. Вторая врезка (невидимая, так как находится внутри соединения под кольцом), предотвращает воздействие вибрации на первое уплотнение, удерживает кольцо на заданном расстоянии от конца трубы. оригинальная цена 0 Изображения Картинка /images/cms/data/import_files/e8/tn92-16sm18x1_5_524_3.jpg 1C: Специфические свойства Резьба 1 Резьба 2 Выгружать на сайт Страница из каталога Каталог Производитель Тип Серия Диаметр трубы (мм) Тип резьбы (в тело) 1C: Общие свойства Идентификатор каталога 1С 2bc64318-c7bc-4eee-9474-0425ab0962b8 Идентификатор в 1С e89d1ab9-0861-11e6-ab07-c81f66120f75
Артикул: 100437.1
TN92-16SM18x1,5
В наличии
Цена: По запросу
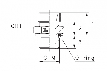
TN92-38S-1.7/8"-12UNF Объекты каталога Основные параметры Поле title TN92-38S-1.7/8"-12UNF Поле h1 TN92-38S-1.7/8"-12UNF Ценовые свойства Цена 0 Склады Общее количество на складах 0 Основные характеристики Артикул 100923.1 Старая цена 0 Описание Ввертные адаптеры (штуцер в тело-труба) с O-Ring уплотнением - резьбовое соединение с метрической наружной резьбой по DIN2353/ISO8434-1 под трубы или рвд с одной стороны и с наружной резьбой в тело c O-Ring уплотнением с другой. Поставляется без колец и гаек (для поставки в комплекте просьба указывать - в сборе). Устанавливаются на трубу с помощью врезного кольца и гайки. Врезное кольцо помогает быстро собрать и разобрать соединение, избегая развальцовки, сварки и нарезания резьбы, обеспечивая, таким образом, максимальную простоту и надежность соединения.<br /> Во время закручивания гайки, врезное кольцо деформирует трубу под воздействием силы закручивания и конуса 24° устанавливаемых фитингов. Врезка происходит в двух местах. Первая врезка или уплотнение происходит на конце трубы, позволяя сделать соединение влагонепроницаемым с одной стороны и антираскручиваемым с другой. Вторая врезка (невидимая, так как находится внутри соединения под кольцом), предотвращает воздействие вибрации на первое уплотнение, удерживает кольцо на заданном расстоянии от конца трубы. оригинальная цена 0 Изображения Картинка /images/cms/data/import_files/e8/tn92-38s-1_7_8_-12unf_524_3.jpg 1C: Специфические свойства Выгружать на сайт Страница из каталога Каталог Производитель Резьба дюймовая цилиндрическая (UNF) Тип 1C: Общие свойства Идентификатор каталога 1С 2bc64318-c7bc-4eee-9474-0425ab0962b8 Идентификатор в 1С e89d1ab8-0861-11e6-ab07-c81f66120f75
Артикул: 100923.1
TN92-38S-1.7/8"-12UNF
В наличии
Цена: По запросу
TN92-8S-1/2"-20UNF Объекты каталога Основные параметры Поле title TN92-8S-1/2"-20UNF Поле h1 TN92-8S-1/2"-20UNF Ценовые свойства Цена 0 Склады Общее количество на складах 0 Основные характеристики Артикул 100915.1 Старая цена 0 Описание Ввертные адаптеры (штуцер в тело-труба) с O-Ring уплотнением - резьбовое соединение с метрической наружной резьбой по DIN2353/ISO8434-1 под трубы или рвд с одной стороны и с наружной резьбой в тело c O-Ring уплотнением с другой. Поставляется без колец и гаек (для поставки в комплекте просьба указывать - в сборе). Устанавливаются на трубу с помощью врезного кольца и гайки. Врезное кольцо помогает быстро собрать и разобрать соединение, избегая развальцовки, сварки и нарезания резьбы, обеспечивая, таким образом, максимальную простоту и надежность соединения.<br /> Во время закручивания гайки, врезное кольцо деформирует трубу под воздействием силы закручивания и конуса 24° устанавливаемых фитингов. Врезка происходит в двух местах. Первая врезка или уплотнение происходит на конце трубы, позволяя сделать соединение влагонепроницаемым с одной стороны и антираскручиваемым с другой. Вторая врезка (невидимая, так как находится внутри соединения под кольцом), предотвращает воздействие вибрации на первое уплотнение, удерживает кольцо на заданном расстоянии от конца трубы. оригинальная цена 0 Изображения Картинка /images/cms/data/import_files/e8/tn92-8s-1_2_-20unf_524_3.jpg 1C: Специфические свойства Выгружать на сайт Страница из каталога Каталог Производитель Резьба дюймовая цилиндрическая (UNF) Тип 1C: Общие свойства Идентификатор каталога 1С 2bc64318-c7bc-4eee-9474-0425ab0962b8 Идентификатор в 1С e89d1ab7-0861-11e6-ab07-c81f66120f75
Артикул: 100915.1
TN92-8S-1/2"-20UNF
В наличии
Цена: По запросу
TN92-6S-1/2"-20UNF Объекты каталога Основные параметры Поле title TN92-6S-1/2"-20UNF Поле h1 TN92-6S-1/2"-20UNF Ценовые свойства Цена 0 Склады Общее количество на складах 0 Основные характеристики Артикул 100914.1 Старая цена 0 Описание Ввертные адаптеры (штуцер в тело-труба) с O-Ring уплотнением - резьбовое соединение с метрической наружной резьбой по DIN2353/ISO8434-1 под трубы или рвд с одной стороны и с наружной резьбой в тело c O-Ring уплотнением с другой. Поставляется без колец и гаек (для поставки в комплекте просьба указывать - в сборе). Устанавливаются на трубу с помощью врезного кольца и гайки. Врезное кольцо помогает быстро собрать и разобрать соединение, избегая развальцовки, сварки и нарезания резьбы, обеспечивая, таким образом, максимальную простоту и надежность соединения.<br /> Во время закручивания гайки, врезное кольцо деформирует трубу под воздействием силы закручивания и конуса 24° устанавливаемых фитингов. Врезка происходит в двух местах. Первая врезка или уплотнение происходит на конце трубы, позволяя сделать соединение влагонепроницаемым с одной стороны и антираскручиваемым с другой. Вторая врезка (невидимая, так как находится внутри соединения под кольцом), предотвращает воздействие вибрации на первое уплотнение, удерживает кольцо на заданном расстоянии от конца трубы. оригинальная цена 0 Изображения Картинка /images/cms/data/import_files/e8/tn92-6s-1_2_-20unf_524_3.jpg 1C: Специфические свойства Выгружать на сайт Страница из каталога Каталог Производитель Резьба дюймовая цилиндрическая (UNF) Тип 1C: Общие свойства Идентификатор каталога 1С 2bc64318-c7bc-4eee-9474-0425ab0962b8 Идентификатор в 1С e89d1ab6-0861-11e6-ab07-c81f66120f75
Артикул: 100914.1
TN92-6S-1/2"-20UNF
В наличии
Цена: По запросу
TN92-42L-1.7/8"-12UNF Объекты каталога Основные параметры Поле title TN92-42L-1.7/8"-12UNF Поле h1 TN92-42L-1.7/8"-12UNF Ценовые свойства Цена 0 Склады Общее количество на складах 0 Основные характеристики Артикул 100913.1 Старая цена 0 Описание Ввертные адаптеры (штуцер в тело-труба) с O-Ring уплотнением - резьбовое соединение с метрической наружной резьбой по DIN2353/ISO8434-1 под трубы или рвд с одной стороны и с наружной резьбой в тело c O-Ring уплотнением с другой. Поставляется без колец и гаек (для поставки в комплекте просьба указывать - в сборе). Устанавливаются на трубу с помощью врезного кольца и гайки. Врезное кольцо помогает быстро собрать и разобрать соединение, избегая развальцовки, сварки и нарезания резьбы, обеспечивая, таким образом, максимальную простоту и надежность соединения.<br /> Во время закручивания гайки, врезное кольцо деформирует трубу под воздействием силы закручивания и конуса 24° устанавливаемых фитингов. Врезка происходит в двух местах. Первая врезка или уплотнение происходит на конце трубы, позволяя сделать соединение влагонепроницаемым с одной стороны и антираскручиваемым с другой. Вторая врезка (невидимая, так как находится внутри соединения под кольцом), предотвращает воздействие вибрации на первое уплотнение, удерживает кольцо на заданном расстоянии от конца трубы. оригинальная цена 0 Изображения Картинка /images/cms/data/import_files/e8/tn92-42l-1_7_8_-12unf_524_3.jpg 1C: Специфические свойства Выгружать на сайт Страница из каталога Каталог Производитель Резьба дюймовая цилиндрическая (UNF) Тип 1C: Общие свойства Идентификатор каталога 1С 2bc64318-c7bc-4eee-9474-0425ab0962b8 Идентификатор в 1С e89d1ab5-0861-11e6-ab07-c81f66120f75
Артикул: 100913.1
TN92-42L-1.7/8"-12UNF
В наличии
Цена: По запросу
TN92-10L-1/2"-20UNF Объекты каталога Основные параметры Поле title TN92-10L-1/2"-20UNF Поле h1 TN92-10L-1/2"-20UNF Ценовые свойства Цена 384.67 Склады Общее количество на складах 0 Основные характеристики Артикул 100906.1 Старая цена 0 Описание Ввертные адаптеры (штуцер в тело-труба) с O-Ring уплотнением - резьбовое соединение с метрической наружной резьбой по DIN2353/ISO8434-1 под трубы или рвд с одной стороны и с наружной резьбой в тело c O-Ring уплотнением с другой. Поставляется без колец и гаек (для поставки в комплекте просьба указывать - в сборе). Устанавливаются на трубу с помощью врезного кольца и гайки. Врезное кольцо помогает быстро собрать и разобрать соединение, избегая развальцовки, сварки и нарезания резьбы, обеспечивая, таким образом, максимальную простоту и надежность соединения.<br /> Во время закручивания гайки, врезное кольцо деформирует трубу под воздействием силы закручивания и конуса 24° устанавливаемых фитингов. Врезка происходит в двух местах. Первая врезка или уплотнение происходит на конце трубы, позволяя сделать соединение влагонепроницаемым с одной стороны и антираскручиваемым с другой. Вторая врезка (невидимая, так как находится внутри соединения под кольцом), предотвращает воздействие вибрации на первое уплотнение, удерживает кольцо на заданном расстоянии от конца трубы. оригинальная цена 0 Изображения Картинка /images/cms/data/import_files/e8/tn92-10l-1_2_-20unf_524_3.jpg 1C: Специфические свойства Выгружать на сайт Страница из каталога Каталог Производитель Резьба дюймовая цилиндрическая (UNF) Тип 1C: Общие свойства Идентификатор каталога 1С 2bc64318-c7bc-4eee-9474-0425ab0962b8 Идентификатор в 1С e89d1ab4-0861-11e6-ab07-c81f66120f75
Артикул: 100906.1
TN92-10L-1/2"-20UNF
В наличии
Цена: По запросу
TN92-8L-1/2"-20UNF Объекты каталога Основные параметры Поле title TN92-8L-1/2"-20UNF Поле h1 TN92-8L-1/2"-20UNF Ценовые свойства Цена 349.76 Склады Общее количество на складах 4 Основные характеристики Артикул 100905.1 Старая цена 0 Описание Ввертные адаптеры (штуцер в тело-труба) с O-Ring уплотнением - резьбовое соединение с метрической наружной резьбой по DIN2353/ISO8434-1 под трубы или рвд с одной стороны и с наружной резьбой в тело c O-Ring уплотнением с другой. Поставляется без колец и гаек (для поставки в комплекте просьба указывать - в сборе). Устанавливаются на трубу с помощью врезного кольца и гайки. Врезное кольцо помогает быстро собрать и разобрать соединение, избегая развальцовки, сварки и нарезания резьбы, обеспечивая, таким образом, максимальную простоту и надежность соединения.<br /> Во время закручивания гайки, врезное кольцо деформирует трубу под воздействием силы закручивания и конуса 24° устанавливаемых фитингов. Врезка происходит в двух местах. Первая врезка или уплотнение происходит на конце трубы, позволяя сделать соединение влагонепроницаемым с одной стороны и антираскручиваемым с другой. Вторая врезка (невидимая, так как находится внутри соединения под кольцом), предотвращает воздействие вибрации на первое уплотнение, удерживает кольцо на заданном расстоянии от конца трубы. оригинальная цена 0 Изображения Картинка /images/cms/data/import_files/e8/tn92-8l-1_2_-20unf_524_3.jpg 1C: Специфические свойства Выгружать на сайт Страница из каталога Каталог Производитель Резьба дюймовая цилиндрическая (UNF) Тип 1C: Общие свойства Идентификатор каталога 1С 2bc64318-c7bc-4eee-9474-0425ab0962b8 Идентификатор в 1С e89d1ab3-0861-11e6-ab07-c81f66120f75
Артикул: 100905.1
TN92-8L-1/2"-20UNF
В наличии
Цена: По запросу
TN92-6L-7/16"-20UNF Объекты каталога Основные параметры Поле title TN92-6L-7/16"-20UNF Поле h1 TN92-6L-7/16"-20UNF Ценовые свойства Цена 122.85 Склады Общее количество на складах 7 Основные характеристики Артикул 100904.1 Старая цена 0 Описание Ввертные адаптеры (штуцер в тело-труба) с O-Ring уплотнением - резьбовое соединение с метрической наружной резьбой по DIN2353/ISO8434-1 под трубы или рвд с одной стороны и с наружной резьбой в тело c O-Ring уплотнением с другой. Поставляется без колец и гаек (для поставки в комплекте просьба указывать - в сборе). Устанавливаются на трубу с помощью врезного кольца и гайки. Врезное кольцо помогает быстро собрать и разобрать соединение, избегая развальцовки, сварки и нарезания резьбы, обеспечивая, таким образом, максимальную простоту и надежность соединения.<br /> Во время закручивания гайки, врезное кольцо деформирует трубу под воздействием силы закручивания и конуса 24° устанавливаемых фитингов. Врезка происходит в двух местах. Первая врезка или уплотнение происходит на конце трубы, позволяя сделать соединение влагонепроницаемым с одной стороны и антираскручиваемым с другой. Вторая врезка (невидимая, так как находится внутри соединения под кольцом), предотвращает воздействие вибрации на первое уплотнение, удерживает кольцо на заданном расстоянии от конца трубы. оригинальная цена 0 Изображения Картинка /images/cms/data/import_files/e8/tn92-6l-7_16_-20unf_524_3.jpg 1C: Специфические свойства Выгружать на сайт Страница из каталога Каталог Производитель Резьба дюймовая цилиндрическая (UNF) Тип 1C: Общие свойства Идентификатор каталога 1С 2bc64318-c7bc-4eee-9474-0425ab0962b8 Идентификатор в 1С e89d1ab2-0861-11e6-ab07-c81f66120f75
Артикул: 100904.1
TN92-6L-7/16"-20UNF
В наличии
Цена: По запросу
TN93-30SNPT1" Объекты каталога Основные параметры Поле title TN93-30SNPT1" Поле h1 TN93-30SNPT1" Ценовые свойства Цена 0 Склады Общее количество на складах 0 Основные характеристики Артикул 101840.1 Старая цена 0 Описание Ввертные адаптеры (штуцер в тело-труба) - резьбовое соединение с метрической наружной резьбой по DIN2353/ISO8434-1 под трубы или рвд с одной стороны и с наружной конической резьбой в тело с другой (уплотнение происходит по конусу). Поставляется без врезных колец и гаек (для поставки в комплекте просьба указывать - в сборе). Устанавливаются на трубу с помощью врезного кольца и гайки. Врезное кольцо помогает быстро собрать и разобрать соединение, избегая развальцовки, сварки и нарезания резьбы, обеспечивая, таким образом, максимальную простоту и надежность соединения. Во время закручивания гайки, врезное кольцо деформирует трубу под воздействием силы закручивания и конуса 24° устанавливаемых фитингов. Врезка происходит в двух местах. Первая врезка или уплотнение происходит на конце трубы, позволяя сделать соединение влагонепроницаемым с одной стороны и антираскручиваемым с другой. Вторая врезка (невидимая, так как находится внутри соединения под кольцом), предотвращает воздействие вибрации на первое уплотнение, удерживает кольцо на заданном расстоянии от конца трубы. оригинальная цена 0 Изображения Картинка /images/cms/data/import_files/e8/tn93-30snpt1_524_3.jpg 1C: Специфические свойства Выгружать на сайт Страница из каталога Каталог Производитель Тип 1C: Общие свойства Идентификатор каталога 1С 2bc64318-c7bc-4eee-9474-0425ab0962b8 Идентификатор в 1С e89d1ab1-0861-11e6-ab07-c81f66120f75
Артикул: 101840.1
TN93-30SNPT1"
В наличии
Цена: По запросу
TN93-25SNPT3/4" Объекты каталога Основные параметры Поле title TN93-25SNPT3/4" Поле h1 TN93-25SNPT3/4" Ценовые свойства Цена 0 Склады Общее количество на складах 0 Основные характеристики Артикул 101839.1 Старая цена 0 Описание Ввертные адаптеры (штуцер в тело-труба) - резьбовое соединение с метрической наружной резьбой по DIN2353/ISO8434-1 под трубы или рвд с одной стороны и с наружной конической резьбой в тело с другой (уплотнение происходит по конусу). Поставляется без врезных колец и гаек (для поставки в комплекте просьба указывать - в сборе). Устанавливаются на трубу с помощью врезного кольца и гайки. Врезное кольцо помогает быстро собрать и разобрать соединение, избегая развальцовки, сварки и нарезания резьбы, обеспечивая, таким образом, максимальную простоту и надежность соединения. Во время закручивания гайки, врезное кольцо деформирует трубу под воздействием силы закручивания и конуса 24° устанавливаемых фитингов. Врезка происходит в двух местах. Первая врезка или уплотнение происходит на конце трубы, позволяя сделать соединение влагонепроницаемым с одной стороны и антираскручиваемым с другой. Вторая врезка (невидимая, так как находится внутри соединения под кольцом), предотвращает воздействие вибрации на первое уплотнение, удерживает кольцо на заданном расстоянии от конца трубы. оригинальная цена 0 Изображения Картинка /images/cms/data/import_files/e8/tn93-25snpt3_4_524_3.jpg 1C: Специфические свойства Выгружать на сайт Страница из каталога Каталог Производитель Тип 1C: Общие свойства Идентификатор каталога 1С 2bc64318-c7bc-4eee-9474-0425ab0962b8 Идентификатор в 1С e89d1ab0-0861-11e6-ab07-c81f66120f75
Артикул: 101839.1
TN93-25SNPT3/4"
В наличии
Цена: По запросу
TN93-20SNPT1/2" Объекты каталога Основные параметры Поле title TN93-20SNPT1/2" Поле h1 TN93-20SNPT1/2" Ценовые свойства Цена 418.87 Склады Общее количество на складах 0 Основные характеристики Артикул 101838.1 Старая цена 0 Описание Ввертные адаптеры (штуцер в тело-труба) - резьбовое соединение с метрической наружной резьбой по DIN2353/ISO8434-1 под трубы или рвд с одной стороны и с наружной конической резьбой в тело с другой (уплотнение происходит по конусу). Поставляется без врезных колец и гаек (для поставки в комплекте просьба указывать - в сборе). Устанавливаются на трубу с помощью врезного кольца и гайки. Врезное кольцо помогает быстро собрать и разобрать соединение, избегая развальцовки, сварки и нарезания резьбы, обеспечивая, таким образом, максимальную простоту и надежность соединения. Во время закручивания гайки, врезное кольцо деформирует трубу под воздействием силы закручивания и конуса 24° устанавливаемых фитингов. Врезка происходит в двух местах. Первая врезка или уплотнение происходит на конце трубы, позволяя сделать соединение влагонепроницаемым с одной стороны и антираскручиваемым с другой. Вторая врезка (невидимая, так как находится внутри соединения под кольцом), предотвращает воздействие вибрации на первое уплотнение, удерживает кольцо на заданном расстоянии от конца трубы. оригинальная цена 0 Изображения Картинка /images/cms/data/import_files/e8/tn93-20snpt1_2_524_3.jpg 1C: Специфические свойства Выгружать на сайт Страница из каталога Каталог Производитель Тип Vitillo 1C: Общие свойства Идентификатор каталога 1С 2bc64318-c7bc-4eee-9474-0425ab0962b8 Идентификатор в 1С e89d1aaf-0861-11e6-ab07-c81f66120f75
Артикул: 101838.1
TN93-20SNPT1/2"
В наличии
Цена: По запросу
TN93-16SNPT3/8" Объекты каталога Основные параметры Поле title TN93-16SNPT3/8" Поле h1 TN93-16SNPT3/8" Ценовые свойства Цена 227.25 Склады Общее количество на складах 0 Основные характеристики Артикул 101837.1 Старая цена 0 Описание Ввертные адаптеры (штуцер в тело-труба) - резьбовое соединение с метрической наружной резьбой по DIN2353/ISO8434-1 под трубы или рвд с одной стороны и с наружной конической резьбой в тело с другой (уплотнение происходит по конусу). Поставляется без врезных колец и гаек (для поставки в комплекте просьба указывать - в сборе). Устанавливаются на трубу с помощью врезного кольца и гайки. Врезное кольцо помогает быстро собрать и разобрать соединение, избегая развальцовки, сварки и нарезания резьбы, обеспечивая, таким образом, максимальную простоту и надежность соединения. Во время закручивания гайки, врезное кольцо деформирует трубу под воздействием силы закручивания и конуса 24° устанавливаемых фитингов. Врезка происходит в двух местах. Первая врезка или уплотнение происходит на конце трубы, позволяя сделать соединение влагонепроницаемым с одной стороны и антираскручиваемым с другой. Вторая врезка (невидимая, так как находится внутри соединения под кольцом), предотвращает воздействие вибрации на первое уплотнение, удерживает кольцо на заданном расстоянии от конца трубы. оригинальная цена 0 Изображения Картинка /images/cms/data/import_files/e8/tn93-16snpt3_8_524_3.jpg 1C: Специфические свойства Выгружать на сайт Страница из каталога Каталог Производитель Тип 1C: Общие свойства Идентификатор каталога 1С 2bc64318-c7bc-4eee-9474-0425ab0962b8 Идентификатор в 1С e89d1aae-0861-11e6-ab07-c81f66120f75
Артикул: 101837.1
TN93-16SNPT3/8"
В наличии
Цена: По запросу
TN93-10LNPT1/8" Объекты каталога Основные параметры Поле title TN93-10LNPT1/8" Поле h1 TN93-10LNPT1/8" Ценовые свойства Цена 326.9 Склады Общее количество на складах 0 Основные характеристики Артикул 101828.1 Старая цена 0 Описание Ввертные адаптеры (штуцер в тело-труба) - резьбовое соединение с метрической наружной резьбой по DIN2353/ISO8434-1 под трубы или рвд с одной стороны и с наружной конической резьбой в тело с другой (уплотнение происходит по конусу). Поставляется без врезных колец и гаек (для поставки в комплекте просьба указывать - в сборе). Устанавливаются на трубу с помощью врезного кольца и гайки. Врезное кольцо помогает быстро собрать и разобрать соединение, избегая развальцовки, сварки и нарезания резьбы, обеспечивая, таким образом, максимальную простоту и надежность соединения. Во время закручивания гайки, врезное кольцо деформирует трубу под воздействием силы закручивания и конуса 24° устанавливаемых фитингов. Врезка происходит в двух местах. Первая врезка или уплотнение происходит на конце трубы, позволяя сделать соединение влагонепроницаемым с одной стороны и антираскручиваемым с другой. Вторая врезка (невидимая, так как находится внутри соединения под кольцом), предотвращает воздействие вибрации на первое уплотнение, удерживает кольцо на заданном расстоянии от конца трубы. оригинальная цена 0 Изображения Картинка /images/cms/data/import_files/e8/tn93-10lnpt1_8_524_3.jpg 1C: Специфические свойства Выгружать на сайт Страница из каталога Каталог Производитель Тип 1C: Общие свойства Идентификатор каталога 1С 2bc64318-c7bc-4eee-9474-0425ab0962b8 Идентификатор в 1С e89d1aad-0861-11e6-ab07-c81f66120f75
Артикул: 101828.1
TN93-10LNPT1/8"
В наличии
Цена: По запросу
TN93-8LNPT1/2" Объекты каталога Основные параметры Поле title TN93-8LNPT1/2" Поле h1 TN93-8LNPT1/2" Ценовые свойства Цена 404.47 Склады Общее количество на складах 0 Основные характеристики Артикул 101827.1 Старая цена 0 Описание Ввертные адаптеры (штуцер в тело-труба) - резьбовое соединение с метрической наружной резьбой по DIN2353/ISO8434-1 под трубы или рвд с одной стороны и с наружной конической резьбой в тело с другой (уплотнение происходит по конусу). Поставляется без врезных колец и гаек (для поставки в комплекте просьба указывать - в сборе). Устанавливаются на трубу с помощью врезного кольца и гайки. Врезное кольцо помогает быстро собрать и разобрать соединение, избегая развальцовки, сварки и нарезания резьбы, обеспечивая, таким образом, максимальную простоту и надежность соединения. Во время закручивания гайки, врезное кольцо деформирует трубу под воздействием силы закручивания и конуса 24° устанавливаемых фитингов. Врезка происходит в двух местах. Первая врезка или уплотнение происходит на конце трубы, позволяя сделать соединение влагонепроницаемым с одной стороны и антираскручиваемым с другой. Вторая врезка (невидимая, так как находится внутри соединения под кольцом), предотвращает воздействие вибрации на первое уплотнение, удерживает кольцо на заданном расстоянии от конца трубы. оригинальная цена 0 Изображения Картинка /images/cms/data/import_files/e8/tn93-8lnpt1_2_524_3.jpg 1C: Специфические свойства Выгружать на сайт Страница из каталога Каталог Производитель Тип 1C: Общие свойства Идентификатор каталога 1С 2bc64318-c7bc-4eee-9474-0425ab0962b8 Идентификатор в 1С e89d1aac-0861-11e6-ab07-c81f66120f75
Артикул: 101827.1
TN93-8LNPT1/2"
В наличии
Цена: По запросу
TN93-38SR Объекты каталога Основные параметры Поле title TN93-38SR Поле h1 TN93-38SR Ценовые свойства Цена 0 Склады Общее количество на складах 0 Основные характеристики Артикул 101723.1 Старая цена 0 Описание Ввертные адаптеры (штуцер в тело-труба) - резьбовое соединение с метрической наружной резьбой по DIN2353/ISO8434-1 под трубы или рвд с одной стороны и с наружной конической резьбой в тело с другой (уплотнение происходит по конусу). Поставляется без врезных колец и гаек (для поставки в комплекте просьба указывать - в сборе). Устанавливаются на трубу с помощью врезного кольца и гайки. Врезное кольцо помогает быстро собрать и разобрать соединение, избегая развальцовки, сварки и нарезания резьбы, обеспечивая, таким образом, максимальную простоту и надежность соединения. Во время закручивания гайки, врезное кольцо деформирует трубу под воздействием силы закручивания и конуса 24° устанавливаемых фитингов. Врезка происходит в двух местах. Первая врезка или уплотнение происходит на конце трубы, позволяя сделать соединение влагонепроницаемым с одной стороны и антираскручиваемым с другой. Вторая врезка (невидимая, так как находится внутри соединения под кольцом), предотвращает воздействие вибрации на первое уплотнение, удерживает кольцо на заданном расстоянии от конца трубы. оригинальная цена 0 Изображения Картинка /images/cms/data/import_files/e8/tn93-38sr_524_3.jpg 1C: Специфические свойства Резьба 1 Выгружать на сайт Страница из каталога Каталог Производитель Максимальное рабочее давление (bar) Резьба трубная коническая Тип Серия Диаметр трубы (мм) Тип резьбы (в тело) RASTELLI RACCORDI CAST 1C: Общие свойства Идентификатор каталога 1С 2bc64318-c7bc-4eee-9474-0425ab0962b8 Идентификатор в 1С e89d1aab-0861-11e6-ab07-c81f66120f75
Артикул: 101723.1
TN93-38SR
В наличии
Цена: По запросу
TN93-30SR1" Объекты каталога Основные параметры Поле title TN93-30SR1" Поле h1 TN93-30SR1" Ценовые свойства Цена 0 Склады Общее количество на складах 0 Основные характеристики Артикул 101740.1 Старая цена 0 Описание Ввертные адаптеры (штуцер в тело-труба) - резьбовое соединение с метрической наружной резьбой по DIN2353/ISO8434-1 под трубы или рвд с одной стороны и с наружной конической резьбой в тело с другой (уплотнение происходит по конусу). Поставляется без врезных колец и гаек (для поставки в комплекте просьба указывать - в сборе). Устанавливаются на трубу с помощью врезного кольца и гайки. Врезное кольцо помогает быстро собрать и разобрать соединение, избегая развальцовки, сварки и нарезания резьбы, обеспечивая, таким образом, максимальную простоту и надежность соединения. Во время закручивания гайки, врезное кольцо деформирует трубу под воздействием силы закручивания и конуса 24° устанавливаемых фитингов. Врезка происходит в двух местах. Первая врезка или уплотнение происходит на конце трубы, позволяя сделать соединение влагонепроницаемым с одной стороны и антираскручиваемым с другой. Вторая врезка (невидимая, так как находится внутри соединения под кольцом), предотвращает воздействие вибрации на первое уплотнение, удерживает кольцо на заданном расстоянии от конца трубы. оригинальная цена 0 Изображения Картинка /images/cms/data/import_files/e8/tn93-30sr1_524_3.jpg 1C: Специфические свойства Резьба 1 Выгружать на сайт Страница из каталога Каталог Производитель Максимальное рабочее давление (bar) Резьба трубная коническая Тип Серия Диаметр трубы (мм) RASTELLI RACCORDI CAST 1C: Общие свойства Идентификатор каталога 1С 2bc64318-c7bc-4eee-9474-0425ab0962b8 Идентификатор в 1С e89d1aaa-0861-11e6-ab07-c81f66120f75
Артикул: 101740.1
TN93-30SR1"
В наличии
Цена: По запросу
TN93-25SR3/4" Объекты каталога Основные параметры Поле title TN93-25SR3/4" Поле h1 TN93-25SR3/4" Ценовые свойства Цена 713.76 Склады Общее количество на складах 0 Основные характеристики Артикул 101739.1 Старая цена 0 Описание Ввертные адаптеры (штуцер в тело-труба) - резьбовое соединение с метрической наружной резьбой по DIN2353/ISO8434-1 под трубы или рвд с одной стороны и с наружной конической резьбой в тело с другой (уплотнение происходит по конусу). Поставляется без врезных колец и гаек (для поставки в комплекте просьба указывать - в сборе). Устанавливаются на трубу с помощью врезного кольца и гайки. Врезное кольцо помогает быстро собрать и разобрать соединение, избегая развальцовки, сварки и нарезания резьбы, обеспечивая, таким образом, максимальную простоту и надежность соединения. Во время закручивания гайки, врезное кольцо деформирует трубу под воздействием силы закручивания и конуса 24° устанавливаемых фитингов. Врезка происходит в двух местах. Первая врезка или уплотнение происходит на конце трубы, позволяя сделать соединение влагонепроницаемым с одной стороны и антираскручиваемым с другой. Вторая врезка (невидимая, так как находится внутри соединения под кольцом), предотвращает воздействие вибрации на первое уплотнение, удерживает кольцо на заданном расстоянии от конца трубы. оригинальная цена 0 Изображения Картинка /images/cms/data/import_files/e8/tn93-25sr3_4_524_3.jpg 1C: Специфические свойства Выгружать на сайт Страница из каталога Каталог Производитель Тип 1C: Общие свойства Идентификатор каталога 1С 2bc64318-c7bc-4eee-9474-0425ab0962b8 Идентификатор в 1С e89d1aa9-0861-11e6-ab07-c81f66120f75
Артикул: 101739.1
TN93-25SR3/4"
В наличии
Цена: По запросу
TN93-25SR Объекты каталога Основные параметры Поле title TN93-25SR Поле h1 TN93-25SR Ценовые свойства Цена 401.64 Склады Общее количество на складах 50 Основные характеристики Артикул 101721.1 Старая цена 0 Описание Ввертные адаптеры (штуцер в тело-труба) - резьбовое соединение с метрической наружной резьбой по DIN2353/ISO8434-1 под трубы или рвд с одной стороны и с наружной конической резьбой в тело с другой (уплотнение происходит по конусу). Поставляется без врезных колец и гаек (для поставки в комплекте просьба указывать - в сборе). Устанавливаются на трубу с помощью врезного кольца и гайки. Врезное кольцо помогает быстро собрать и разобрать соединение, избегая развальцовки, сварки и нарезания резьбы, обеспечивая, таким образом, максимальную простоту и надежность соединения. Во время закручивания гайки, врезное кольцо деформирует трубу под воздействием силы закручивания и конуса 24° устанавливаемых фитингов. Врезка происходит в двух местах. Первая врезка или уплотнение происходит на конце трубы, позволяя сделать соединение влагонепроницаемым с одной стороны и антираскручиваемым с другой. Вторая врезка (невидимая, так как находится внутри соединения под кольцом), предотвращает воздействие вибрации на первое уплотнение, удерживает кольцо на заданном расстоянии от конца трубы. оригинальная цена 0 Изображения Картинка /images/cms/data/import_files/e8/tn93-25sr_524_3.jpg 1C: Специфические свойства Резьба 1 Выгружать на сайт Страница из каталога Каталог Производитель Максимальное рабочее давление (bar) Резьба трубная коническая Тип Серия Диаметр трубы (мм) Тип резьбы (в тело) RASTELLI RACCORDI CAST 1C: Общие свойства Идентификатор каталога 1С 2bc64318-c7bc-4eee-9474-0425ab0962b8 Идентификатор в 1С e89d1aa8-0861-11e6-ab07-c81f66120f75
Артикул: 101721.1
TN93-25SR
В наличии
Цена: По запросу
TN93-20SR1/2" Объекты каталога Основные параметры Поле title TN93-20SR1/2" Поле h1 TN93-20SR1/2" Ценовые свойства Цена 0 Склады Общее количество на складах 0 Основные характеристики Артикул 101738.1 Старая цена 0 Описание Ввертные адаптеры (штуцер в тело-труба) - резьбовое соединение с метрической наружной резьбой по DIN2353/ISO8434-1 под трубы или рвд с одной стороны и с наружной конической резьбой в тело с другой (уплотнение происходит по конусу). Поставляется без врезных колец и гаек (для поставки в комплекте просьба указывать - в сборе). Устанавливаются на трубу с помощью врезного кольца и гайки. Врезное кольцо помогает быстро собрать и разобрать соединение, избегая развальцовки, сварки и нарезания резьбы, обеспечивая, таким образом, максимальную простоту и надежность соединения. Во время закручивания гайки, врезное кольцо деформирует трубу под воздействием силы закручивания и конуса 24° устанавливаемых фитингов. Врезка происходит в двух местах. Первая врезка или уплотнение происходит на конце трубы, позволяя сделать соединение влагонепроницаемым с одной стороны и антираскручиваемым с другой. Вторая врезка (невидимая, так как находится внутри соединения под кольцом), предотвращает воздействие вибрации на первое уплотнение, удерживает кольцо на заданном расстоянии от конца трубы. оригинальная цена 0 Изображения Картинка /images/cms/data/import_files/e8/tn93-20sr1_2_524_3.jpg 1C: Специфические свойства Выгружать на сайт Страница из каталога Каталог Производитель Тип 1C: Общие свойства Идентификатор каталога 1С 2bc64318-c7bc-4eee-9474-0425ab0962b8 Идентификатор в 1С e89d1aa7-0861-11e6-ab07-c81f66120f75
Артикул: 101738.1
TN93-20SR1/2"
В наличии
Цена: По запросу
TN93-16SR3/8" Объекты каталога Основные параметры Поле title TN93-16SR3/8" Поле h1 TN93-16SR3/8" Ценовые свойства Цена 235.81 Склады Общее количество на складах 0 Основные характеристики Артикул 101737.1 Старая цена 0 Описание Ввертные адаптеры (штуцер в тело-труба) - резьбовое соединение с метрической наружной резьбой по DIN2353/ISO8434-1 под трубы или рвд с одной стороны и с наружной конической резьбой в тело с другой (уплотнение происходит по конусу). Поставляется без врезных колец и гаек (для поставки в комплекте просьба указывать - в сборе). Устанавливаются на трубу с помощью врезного кольца и гайки. Врезное кольцо помогает быстро собрать и разобрать соединение, избегая развальцовки, сварки и нарезания резьбы, обеспечивая, таким образом, максимальную простоту и надежность соединения. Во время закручивания гайки, врезное кольцо деформирует трубу под воздействием силы закручивания и конуса 24° устанавливаемых фитингов. Врезка происходит в двух местах. Первая врезка или уплотнение происходит на конце трубы, позволяя сделать соединение влагонепроницаемым с одной стороны и антираскручиваемым с другой. Вторая врезка (невидимая, так как находится внутри соединения под кольцом), предотвращает воздействие вибрации на первое уплотнение, удерживает кольцо на заданном расстоянии от конца трубы. оригинальная цена 0 Изображения Картинка /images/cms/data/import_files/e8/tn93-16sr3_8_524_3.jpg 1C: Специфические свойства Резьба 1 Выгружать на сайт Страница из каталога Каталог Производитель Максимальное рабочее давление (bar) Резьба трубная коническая Тип Серия Диаметр трубы (мм) RASTELLI RACCORDI CAST 1C: Общие свойства Идентификатор каталога 1С 2bc64318-c7bc-4eee-9474-0425ab0962b8 Идентификатор в 1С e89d1aa6-0861-11e6-ab07-c81f66120f75
Артикул: 101737.1
TN93-16SR3/8"
В наличии
Цена: По запросу
TN93-14SR3/8" Объекты каталога Основные параметры Поле title TN93-14SR3/8" Поле h1 TN93-14SR3/8" Ценовые свойства Цена 0 Склады Общее количество на складах 0 Основные характеристики Артикул 101736.1 Старая цена 0 Описание Ввертные адаптеры (штуцер в тело-труба) - резьбовое соединение с метрической наружной резьбой по DIN2353/ISO8434-1 под трубы или рвд с одной стороны и с наружной конической резьбой в тело с другой (уплотнение происходит по конусу). Поставляется без врезных колец и гаек (для поставки в комплекте просьба указывать - в сборе). Устанавливаются на трубу с помощью врезного кольца и гайки. Врезное кольцо помогает быстро собрать и разобрать соединение, избегая развальцовки, сварки и нарезания резьбы, обеспечивая, таким образом, максимальную простоту и надежность соединения. Во время закручивания гайки, врезное кольцо деформирует трубу под воздействием силы закручивания и конуса 24° устанавливаемых фитингов. Врезка происходит в двух местах. Первая врезка или уплотнение происходит на конце трубы, позволяя сделать соединение влагонепроницаемым с одной стороны и антираскручиваемым с другой. Вторая врезка (невидимая, так как находится внутри соединения под кольцом), предотвращает воздействие вибрации на первое уплотнение, удерживает кольцо на заданном расстоянии от конца трубы. оригинальная цена 0 Изображения Картинка /images/cms/data/import_files/e8/tn93-14sr3_8_524_3.jpg 1C: Специфические свойства Резьба 1 Выгружать на сайт Страница из каталога Каталог Производитель Максимальное рабочее давление (bar) Резьба трубная коническая Тип Серия Диаметр трубы (мм) RASTELLI RACCORDI CAST 1C: Общие свойства Идентификатор каталога 1С 2bc64318-c7bc-4eee-9474-0425ab0962b8 Идентификатор в 1С e89d1aa5-0861-11e6-ab07-c81f66120f75
Артикул: 101736.1
TN93-14SR3/8"
В наличии
Цена: По запросу
TN93-14SR Объекты каталога Основные параметры Поле title TN93-14SR Поле h1 TN93-14SR Ценовые свойства Цена 164.56 Склады Общее количество на складах 0 Основные характеристики Артикул 101718.1 Старая цена 0 Описание Ввертные адаптеры (штуцер в тело-труба) - резьбовое соединение с метрической наружной резьбой по DIN2353/ISO8434-1 под трубы или рвд с одной стороны и с наружной конической резьбой в тело с другой (уплотнение происходит по конусу). Поставляется без врезных колец и гаек (для поставки в комплекте просьба указывать - в сборе). Устанавливаются на трубу с помощью врезного кольца и гайки. Врезное кольцо помогает быстро собрать и разобрать соединение, избегая развальцовки, сварки и нарезания резьбы, обеспечивая, таким образом, максимальную простоту и надежность соединения. Во время закручивания гайки, врезное кольцо деформирует трубу под воздействием силы закручивания и конуса 24° устанавливаемых фитингов. Врезка происходит в двух местах. Первая врезка или уплотнение происходит на конце трубы, позволяя сделать соединение влагонепроницаемым с одной стороны и антираскручиваемым с другой. Вторая врезка (невидимая, так как находится внутри соединения под кольцом), предотвращает воздействие вибрации на первое уплотнение, удерживает кольцо на заданном расстоянии от конца трубы. оригинальная цена 0 Изображения Картинка /images/cms/data/import_files/e8/tn93-14sr_524_3.jpg 1C: Специфические свойства Резьба 1 Выгружать на сайт Страница из каталога Каталог Производитель Максимальное рабочее давление (bar) Резьба трубная коническая Тип Серия Диаметр трубы (мм) RASTELLI RACCORDI CAST 1C: Общие свойства Идентификатор каталога 1С 2bc64318-c7bc-4eee-9474-0425ab0962b8 Идентификатор в 1С e89d1aa4-0861-11e6-ab07-c81f66120f75
Артикул: 101718.1
TN93-14SR
В наличии
Цена: По запросу
TN93-12SR1/2" Объекты каталога Основные параметры Поле title TN93-12SR1/2" Поле h1 TN93-12SR1/2" Ценовые свойства Цена 0 Склады Общее количество на складах 0 Основные характеристики Артикул 101735.1 Старая цена 0 Описание Ввертные адаптеры (штуцер в тело-труба) - резьбовое соединение с метрической наружной резьбой по DIN2353/ISO8434-1 под трубы или рвд с одной стороны и с наружной конической резьбой в тело с другой (уплотнение происходит по конусу). Поставляется без врезных колец и гаек (для поставки в комплекте просьба указывать - в сборе). Устанавливаются на трубу с помощью врезного кольца и гайки. Врезное кольцо помогает быстро собрать и разобрать соединение, избегая развальцовки, сварки и нарезания резьбы, обеспечивая, таким образом, максимальную простоту и надежность соединения. Во время закручивания гайки, врезное кольцо деформирует трубу под воздействием силы закручивания и конуса 24° устанавливаемых фитингов. Врезка происходит в двух местах. Первая врезка или уплотнение происходит на конце трубы, позволяя сделать соединение влагонепроницаемым с одной стороны и антираскручиваемым с другой. Вторая врезка (невидимая, так как находится внутри соединения под кольцом), предотвращает воздействие вибрации на первое уплотнение, удерживает кольцо на заданном расстоянии от конца трубы. оригинальная цена 0 Изображения Картинка /images/cms/data/import_files/e8/tn93-12sr1_2_524_3.jpg 1C: Специфические свойства Резьба 1 Выгружать на сайт Страница из каталога Каталог Производитель Максимальное рабочее давление (bar) Резьба трубная коническая Тип Серия Диаметр трубы (мм) RASTELLI RACCORDI CAST 1C: Общие свойства Идентификатор каталога 1С 2bc64318-c7bc-4eee-9474-0425ab0962b8 Идентификатор в 1С e89d1aa3-0861-11e6-ab07-c81f66120f75
Артикул: 101735.1
TN93-12SR1/2"
В наличии
Цена: По запросу
TN93-8LLR Объекты каталога Основные параметры Поле title TN93-8LLR Поле h1 TN93-8LLR Ценовые свойства Цена 0 Склады Общее количество на складах 0 Основные характеристики Артикул 101703.1 Старая цена 0 Описание Ввертные адаптеры (штуцер в тело-труба) - резьбовое соединение с метрической наружной резьбой по DIN2353/ISO8434-1 под трубы или рвд с одной стороны и с наружной конической резьбой в тело с другой (уплотнение происходит по конусу). Поставляется без врезных колец и гаек (для поставки в комплекте просьба указывать - в сборе). Устанавливаются на трубу с помощью врезного кольца и гайки. Врезное кольцо помогает быстро собрать и разобрать соединение, избегая развальцовки, сварки и нарезания резьбы, обеспечивая, таким образом, максимальную простоту и надежность соединения. Во время закручивания гайки, врезное кольцо деформирует трубу под воздействием силы закручивания и конуса 24° устанавливаемых фитингов. Врезка происходит в двух местах. Первая врезка или уплотнение происходит на конце трубы, позволяя сделать соединение влагонепроницаемым с одной стороны и антираскручиваемым с другой. Вторая врезка (невидимая, так как находится внутри соединения под кольцом), предотвращает воздействие вибрации на первое уплотнение, удерживает кольцо на заданном расстоянии от конца трубы. оригинальная цена 0 Изображения Картинка /images/cms/data/import_files/e8/tn93-8llr_524_3.jpg 1C: Специфические свойства Резьба 1 Выгружать на сайт Страница из каталога Каталог Производитель Максимальное рабочее давление (bar) Резьба трубная коническая Тип Серия Диаметр трубы (мм) Тип резьбы (в тело) RASTELLI RACCORDI CAST 1C: Общие свойства Идентификатор каталога 1С 2bc64318-c7bc-4eee-9474-0425ab0962b8 Идентификатор в 1С e89d1aa2-0861-11e6-ab07-c81f66120f75
Артикул: 101703.1
TN93-8LLR
В наличии
Цена: По запросу
TN93-6LLR Объекты каталога Основные параметры Поле title TN93-6LLR Поле h1 TN93-6LLR Ценовые свойства Цена 63.6 Склады Общее количество на складах 0 Основные характеристики Артикул 101702.1 Старая цена 0 Описание Ввертные адаптеры (штуцер в тело-труба) - резьбовое соединение с метрической наружной резьбой по DIN2353/ISO8434-1 под трубы или рвд с одной стороны и с наружной конической резьбой в тело с другой (уплотнение происходит по конусу). Поставляется без врезных колец и гаек (для поставки в комплекте просьба указывать - в сборе). Устанавливаются на трубу с помощью врезного кольца и гайки. Врезное кольцо помогает быстро собрать и разобрать соединение, избегая развальцовки, сварки и нарезания резьбы, обеспечивая, таким образом, максимальную простоту и надежность соединения. Во время закручивания гайки, врезное кольцо деформирует трубу под воздействием силы закручивания и конуса 24° устанавливаемых фитингов. Врезка происходит в двух местах. Первая врезка или уплотнение происходит на конце трубы, позволяя сделать соединение влагонепроницаемым с одной стороны и антираскручиваемым с другой. Вторая врезка (невидимая, так как находится внутри соединения под кольцом), предотвращает воздействие вибрации на первое уплотнение, удерживает кольцо на заданном расстоянии от конца трубы. оригинальная цена 0 Изображения Картинка /images/cms/data/import_files/e8/tn93-6llr_524_3.jpg 1C: Специфические свойства Резьба 1 Выгружать на сайт Страница из каталога Каталог Производитель Максимальное рабочее давление (bar) Резьба трубная коническая Тип Серия Диаметр трубы (мм) Тип резьбы (в тело) RASTELLI RACCORDI CAST 1C: Общие свойства Идентификатор каталога 1С 2bc64318-c7bc-4eee-9474-0425ab0962b8 Идентификатор в 1С e89d1aa1-0861-11e6-ab07-c81f66120f75
Артикул: 101702.1
TN93-6LLR
В наличии
Цена: По запросу
TN93-4LLR Объекты каталога Основные параметры Поле title TN93-4LLR Поле h1 TN93-4LLR Ценовые свойства Цена 0 Склады Общее количество на складах 0 Основные характеристики Артикул 101701.1 Старая цена 0 Описание Ввертные адаптеры (штуцер в тело-труба) - резьбовое соединение с метрической наружной резьбой по DIN2353/ISO8434-1 под трубы или рвд с одной стороны и с наружной конической резьбой в тело с другой (уплотнение происходит по конусу). Поставляется без врезных колец и гаек (для поставки в комплекте просьба указывать - в сборе). Устанавливаются на трубу с помощью врезного кольца и гайки. Врезное кольцо помогает быстро собрать и разобрать соединение, избегая развальцовки, сварки и нарезания резьбы, обеспечивая, таким образом, максимальную простоту и надежность соединения. Во время закручивания гайки, врезное кольцо деформирует трубу под воздействием силы закручивания и конуса 24° устанавливаемых фитингов. Врезка происходит в двух местах. Первая врезка или уплотнение происходит на конце трубы, позволяя сделать соединение влагонепроницаемым с одной стороны и антираскручиваемым с другой. Вторая врезка (невидимая, так как находится внутри соединения под кольцом), предотвращает воздействие вибрации на первое уплотнение, удерживает кольцо на заданном расстоянии от конца трубы. оригинальная цена 0 Изображения Картинка /images/cms/data/import_files/e8/tn93-4llr_524_3.jpg 1C: Специфические свойства Резьба 1 Выгружать на сайт Страница из каталога Каталог Производитель Максимальное рабочее давление (bar) Резьба трубная коническая Тип Серия Диаметр трубы (мм) Тип резьбы (в тело) RASTELLI RACCORDI CAST 1C: Общие свойства Идентификатор каталога 1С 2bc64318-c7bc-4eee-9474-0425ab0962b8 Идентификатор в 1С e89d1aa0-0861-11e6-ab07-c81f66120f75
Артикул: 101701.1
TN93-4LLR
В наличии
Цена: По запросу
TN93-12SR Объекты каталога Основные параметры Поле title TN93-12SR Поле h1 TN93-12SR Ценовые свойства Цена 95.01 Склады Общее количество на складах 4 Основные характеристики Артикул 101717.1 Старая цена 0 Описание Ввертные адаптеры (штуцер в тело-труба) - резьбовое соединение с метрической наружной резьбой по DIN2353/ISO8434-1 под трубы или рвд с одной стороны и с наружной конической резьбой в тело с другой (уплотнение происходит по конусу). Поставляется без врезных колец и гаек (для поставки в комплекте просьба указывать - в сборе). Устанавливаются на трубу с помощью врезного кольца и гайки. Врезное кольцо помогает быстро собрать и разобрать соединение, избегая развальцовки, сварки и нарезания резьбы, обеспечивая, таким образом, максимальную простоту и надежность соединения. Во время закручивания гайки, врезное кольцо деформирует трубу под воздействием силы закручивания и конуса 24° устанавливаемых фитингов. Врезка происходит в двух местах. Первая врезка или уплотнение происходит на конце трубы, позволяя сделать соединение влагонепроницаемым с одной стороны и антираскручиваемым с другой. Вторая врезка (невидимая, так как находится внутри соединения под кольцом), предотвращает воздействие вибрации на первое уплотнение, удерживает кольцо на заданном расстоянии от конца трубы. оригинальная цена 0 Изображения Картинка /images/cms/data/import_files/e8/tn93-12sr_524_3.jpg 1C: Специфические свойства Резьба 1 Выгружать на сайт Страница из каталога Каталог Производитель Максимальное рабочее давление (bar) Резьба трубная коническая Тип Серия Диаметр трубы (мм) RASTELLI RACCORDI CAST 1C: Общие свойства Идентификатор каталога 1С 2bc64318-c7bc-4eee-9474-0425ab0962b8 Идентификатор в 1С e89d1a9f-0861-11e6-ab07-c81f66120f75
Артикул: 101717.1
TN93-12SR
В наличии
Цена: По запросу
TN93-42LR Объекты каталога Основные параметры Поле title TN93-42LR Поле h1 TN93-42LR Ценовые свойства Цена 719.47 Склады Общее количество на складах 6 Основные характеристики Артикул 101713.1 Старая цена 0 Описание Ввертные адаптеры (штуцер в тело-труба) - резьбовое соединение с метрической наружной резьбой по DIN2353/ISO8434-1 под трубы или рвд с одной стороны и с наружной конической резьбой в тело с другой (уплотнение происходит по конусу). Поставляется без врезных колец и гаек (для поставки в комплекте просьба указывать - в сборе). Устанавливаются на трубу с помощью врезного кольца и гайки. Врезное кольцо помогает быстро собрать и разобрать соединение, избегая развальцовки, сварки и нарезания резьбы, обеспечивая, таким образом, максимальную простоту и надежность соединения. Во время закручивания гайки, врезное кольцо деформирует трубу под воздействием силы закручивания и конуса 24° устанавливаемых фитингов. Врезка происходит в двух местах. Первая врезка или уплотнение происходит на конце трубы, позволяя сделать соединение влагонепроницаемым с одной стороны и антираскручиваемым с другой. Вторая врезка (невидимая, так как находится внутри соединения под кольцом), предотвращает воздействие вибрации на первое уплотнение, удерживает кольцо на заданном расстоянии от конца трубы. оригинальная цена 0 Изображения Картинка /images/cms/data/import_files/e8/tn93-42lr_524_3.jpg 1C: Специфические свойства Резьба 1 Выгружать на сайт Страница из каталога Каталог Производитель Максимальное рабочее давление (bar) Резьба трубная коническая Тип Серия Диаметр трубы (мм) Тип резьбы (в тело) RASTELLI RACCORDI CAST 1C: Общие свойства Идентификатор каталога 1С 2bc64318-c7bc-4eee-9474-0425ab0962b8 Идентификатор в 1С e89d1a9e-0861-11e6-ab07-c81f66120f75
Артикул: 101713.1
TN93-42LR
В наличии
Цена: По запросу
TN93-35LR Объекты каталога Основные параметры Поле title TN93-35LR Поле h1 TN93-35LR Ценовые свойства Цена 700.26 Склады Общее количество на складах 8 Основные характеристики Артикул 101712.1 Старая цена 0 Описание Ввертные адаптеры (штуцер в тело-труба) - резьбовое соединение с метрической наружной резьбой по DIN2353/ISO8434-1 под трубы или рвд с одной стороны и с наружной конической резьбой в тело с другой (уплотнение происходит по конусу). Поставляется без врезных колец и гаек (для поставки в комплекте просьба указывать - в сборе). Устанавливаются на трубу с помощью врезного кольца и гайки. Врезное кольцо помогает быстро собрать и разобрать соединение, избегая развальцовки, сварки и нарезания резьбы, обеспечивая, таким образом, максимальную простоту и надежность соединения. Во время закручивания гайки, врезное кольцо деформирует трубу под воздействием силы закручивания и конуса 24° устанавливаемых фитингов. Врезка происходит в двух местах. Первая врезка или уплотнение происходит на конце трубы, позволяя сделать соединение влагонепроницаемым с одной стороны и антираскручиваемым с другой. Вторая врезка (невидимая, так как находится внутри соединения под кольцом), предотвращает воздействие вибрации на первое уплотнение, удерживает кольцо на заданном расстоянии от конца трубы. оригинальная цена 0 Изображения Картинка /images/cms/data/import_files/e8/tn93-35lr_524_3.jpg 1C: Специфические свойства Резьба 1 Выгружать на сайт Страница из каталога Каталог Производитель Максимальное рабочее давление (bar) Резьба трубная коническая Тип Серия Диаметр трубы (мм) RASTELLI RACCORDI CAST 1C: Общие свойства Идентификатор каталога 1С 2bc64318-c7bc-4eee-9474-0425ab0962b8 Идентификатор в 1С e89d1a9d-0861-11e6-ab07-c81f66120f75
Артикул: 101712.1
TN93-35LR
В наличии
Цена: По запросу
TN93-10LR1/2" Объекты каталога Основные параметры Поле title TN93-10LR1/2" Поле h1 TN93-10LR1/2" Ценовые свойства Цена 108.09 Склады Общее количество на складах 4 Основные характеристики Артикул 101730.1 Старая цена 0 Описание Ввертные адаптеры (штуцер в тело-труба) - резьбовое соединение с метрической наружной резьбой по DIN2353/ISO8434-1 под трубы или рвд с одной стороны и с наружной конической резьбой в тело с другой (уплотнение происходит по конусу). Поставляется без врезных колец и гаек (для поставки в комплекте просьба указывать - в сборе). Устанавливаются на трубу с помощью врезного кольца и гайки. Врезное кольцо помогает быстро собрать и разобрать соединение, избегая развальцовки, сварки и нарезания резьбы, обеспечивая, таким образом, максимальную простоту и надежность соединения. Во время закручивания гайки, врезное кольцо деформирует трубу под воздействием силы закручивания и конуса 24° устанавливаемых фитингов. Врезка происходит в двух местах. Первая врезка или уплотнение происходит на конце трубы, позволяя сделать соединение влагонепроницаемым с одной стороны и антираскручиваемым с другой. Вторая врезка (невидимая, так как находится внутри соединения под кольцом), предотвращает воздействие вибрации на первое уплотнение, удерживает кольцо на заданном расстоянии от конца трубы. оригинальная цена 0 Изображения Картинка /images/cms/data/import_files/e8/tn93-10lr1_2_524_3.jpg 1C: Специфические свойства Резьба 1 Выгружать на сайт Страница из каталога Каталог Производитель Максимальное рабочее давление (bar) Резьба трубная коническая Тип Серия Диаметр трубы (мм) RASTELLI RACCORDI CAST 1C: Общие свойства Идентификатор каталога 1С 2bc64318-c7bc-4eee-9474-0425ab0962b8 Идентификатор в 1С e89d1a9c-0861-11e6-ab07-c81f66120f75
Артикул: 101730.1
TN93-10LR1/2"
В наличии
Цена: По запросу
TN93-8LR1/8" Объекты каталога Основные параметры Поле title TN93-8LR1/8" Поле h1 TN93-8LR1/8" Ценовые свойства Цена 72.94 Склады Общее количество на складах 4 Основные характеристики Артикул 101725.1 Старая цена 0 Описание Ввертные адаптеры (штуцер в тело-труба) - резьбовое соединение с метрической наружной резьбой по DIN2353/ISO8434-1 под трубы или рвд с одной стороны и с наружной конической резьбой в тело с другой (уплотнение происходит по конусу). Поставляется без врезных колец и гаек (для поставки в комплекте просьба указывать - в сборе). Устанавливаются на трубу с помощью врезного кольца и гайки. Врезное кольцо помогает быстро собрать и разобрать соединение, избегая развальцовки, сварки и нарезания резьбы, обеспечивая, таким образом, максимальную простоту и надежность соединения. Во время закручивания гайки, врезное кольцо деформирует трубу под воздействием силы закручивания и конуса 24° устанавливаемых фитингов. Врезка происходит в двух местах. Первая врезка или уплотнение происходит на конце трубы, позволяя сделать соединение влагонепроницаемым с одной стороны и антираскручиваемым с другой. Вторая врезка (невидимая, так как находится внутри соединения под кольцом), предотвращает воздействие вибрации на первое уплотнение, удерживает кольцо на заданном расстоянии от конца трубы. оригинальная цена 0 Изображения Картинка /images/cms/data/import_files/e8/tn93-8lr1_8_524_3.jpg 1C: Специфические свойства Резьба 1 Выгружать на сайт Страница из каталога Каталог Производитель Максимальное рабочее давление (bar) Резьба трубная коническая Тип Серия Диаметр трубы (мм) Тип резьбы (в тело) RASTELLI RACCORDI CAST 1C: Общие свойства Идентификатор каталога 1С 2bc64318-c7bc-4eee-9474-0425ab0962b8 Идентификатор в 1С e89d1a9b-0861-11e6-ab07-c81f66120f75
Артикул: 101725.1
TN93-8LR1/8"
В наличии
Цена: По запросу
TN93-8LR1/2" Объекты каталога Основные параметры Поле title TN93-8LR1/2" Поле h1 TN93-8LR1/2" Ценовые свойства Цена 137.75 Склады Общее количество на складах 8 Основные характеристики Артикул 101727.1 Старая цена 0 Описание Ввертные адаптеры (штуцер в тело-труба) - резьбовое соединение с метрической наружной резьбой по DIN2353/ISO8434-1 под трубы или рвд с одной стороны и с наружной конической резьбой в тело с другой (уплотнение происходит по конусу). Поставляется без врезных колец и гаек (для поставки в комплекте просьба указывать - в сборе). Устанавливаются на трубу с помощью врезного кольца и гайки. Врезное кольцо помогает быстро собрать и разобрать соединение, избегая развальцовки, сварки и нарезания резьбы, обеспечивая, таким образом, максимальную простоту и надежность соединения. Во время закручивания гайки, врезное кольцо деформирует трубу под воздействием силы закручивания и конуса 24° устанавливаемых фитингов. Врезка происходит в двух местах. Первая врезка или уплотнение происходит на конце трубы, позволяя сделать соединение влагонепроницаемым с одной стороны и антираскручиваемым с другой. Вторая врезка (невидимая, так как находится внутри соединения под кольцом), предотвращает воздействие вибрации на первое уплотнение, удерживает кольцо на заданном расстоянии от конца трубы. оригинальная цена 0 Изображения Картинка /images/cms/data/import_files/e8/tn93-8lr1_2_524_3.jpg 1C: Специфические свойства Резьба 1 Выгружать на сайт Страница из каталога Каталог Производитель Максимальное рабочее давление (bar) Резьба трубная коническая Тип Серия Диаметр трубы (мм) Тип резьбы (в тело) RASTELLI RACCORDI CAST 1C: Общие свойства Идентификатор каталога 1С 2bc64318-c7bc-4eee-9474-0425ab0962b8 Идентификатор в 1С e89d1a9a-0861-11e6-ab07-c81f66120f75
Артикул: 101727.1
TN93-8LR1/2"
В наличии
Цена: По запросу
TN92GG-38SR1.1/4" Объекты каталога Основные параметры Поле title TN92GG-38SR1.1/4" Поле h1 TN92GG-38SR1.1/4" Ценовые свойства Цена 1067.43 Склады Общее количество на складах 0 Основные характеристики Артикул 100547.1 Старая цена 0 Описание Ввертные адаптеры (штуцер в тело-труба) с уплотнительной вставкой - резьбовое соединение с метрической наружной резьбой по DIN2353/ISO8434-1 под трубы или рвд с одной стороны и с наружной резьбой в тело с уплотнением с другой. Поставляется без колец и гаек (для поставки в комплекте просьба указывать - в сборе). Устанавливаются на трубу с помощью врезного кольца и гайки. Врезное кольцо помогает быстро собрать и разобрать соединение, избегая развальцовки, сварки и нарезания резьбы, обеспечивая, таким образом, максимальную простоту и надежность соединения.<br /> Во время закручивания гайки, врезное кольцо деформирует трубу под воздействием силы закручивания и конуса 24° устанавливаемых фитингов. Врезка происходит в двух местах. Первая врезка или уплотнение происходит на конце трубы, позволяя сделать соединение влагонепроницаемым с одной стороны и антираскручиваемым с другой. Вторая врезка (невидимая, так как находится внутри соединения под кольцом), предотвращает воздействие вибрации на первое уплотнение, удерживает кольцо на заданном расстоянии от конца трубы. оригинальная цена 0 Изображения Картинка /images/cms/data/import_files/e8/tn92gg-38sr1_1_4_524_3.jpg 1C: Специфические свойства Резьба 1 Резьба 2 Выгружать на сайт Страница из каталога Каталог Производитель Максимальное рабочее давление (bar) Тип Серия Диаметр трубы (мм) Тип резьбы (в тело) RASTELLI RACCORDI CAST 1C: Общие свойства Идентификатор каталога 1С 2bc64318-c7bc-4eee-9474-0425ab0962b8 Идентификатор в 1С e89d1a99-0861-11e6-ab07-c81f66120f75
Артикул: 100547.1
TN92GG-38SR1.1/4"
В наличии
Цена: По запросу
TN92GG-8LLR Объекты каталога Основные параметры Поле title TN92GG-8LLR Поле h1 TN92GG-8LLR Ценовые свойства Цена 0 Склады Общее количество на складах 0 Основные характеристики Артикул 100503.1 Старая цена 0 Описание Ввертные адаптеры (штуцер в тело-труба) с уплотнительной вставкой - резьбовое соединение с метрической наружной резьбой по DIN2353/ISO8434-1 под трубы или рвд с одной стороны и с наружной резьбой в тело с уплотнением с другой. Поставляется без колец и гаек (для поставки в комплекте просьба указывать - в сборе). Устанавливаются на трубу с помощью врезного кольца и гайки. Врезное кольцо помогает быстро собрать и разобрать соединение, избегая развальцовки, сварки и нарезания резьбы, обеспечивая, таким образом, максимальную простоту и надежность соединения.<br /> Во время закручивания гайки, врезное кольцо деформирует трубу под воздействием силы закручивания и конуса 24° устанавливаемых фитингов. Врезка происходит в двух местах. Первая врезка или уплотнение происходит на конце трубы, позволяя сделать соединение влагонепроницаемым с одной стороны и антираскручиваемым с другой. Вторая врезка (невидимая, так как находится внутри соединения под кольцом), предотвращает воздействие вибрации на первое уплотнение, удерживает кольцо на заданном расстоянии от конца трубы. оригинальная цена 0 Изображения Картинка /images/cms/data/import_files/e8/tn92gg-8llr_524_3.jpg 1C: Специфические свойства Резьба 1 Резьба 2 Выгружать на сайт Страница из каталога Каталог Производитель Тип Серия Диаметр трубы (мм) Тип резьбы (в тело) 1C: Общие свойства Идентификатор каталога 1С 2bc64318-c7bc-4eee-9474-0425ab0962b8 Идентификатор в 1С e89d1a98-0861-11e6-ab07-c81f66120f75
Артикул: 100503.1
TN92GG-8LLR
В наличии
Цена: По запросу
TN92GG-6LLR Объекты каталога Основные параметры Поле title TN92GG-6LLR Поле h1 TN92GG-6LLR Ценовые свойства Цена 39.89 Склады Общее количество на складах 3 Основные характеристики Артикул 100502.1 Старая цена 0 Описание Ввертные адаптеры (штуцер в тело-труба) с уплотнительной вставкой - резьбовое соединение с метрической наружной резьбой по DIN2353/ISO8434-1 под трубы или рвд с одной стороны и с наружной резьбой в тело с уплотнением с другой. Поставляется без колец и гаек (для поставки в комплекте просьба указывать - в сборе). Устанавливаются на трубу с помощью врезного кольца и гайки. Врезное кольцо помогает быстро собрать и разобрать соединение, избегая развальцовки, сварки и нарезания резьбы, обеспечивая, таким образом, максимальную простоту и надежность соединения.<br /> Во время закручивания гайки, врезное кольцо деформирует трубу под воздействием силы закручивания и конуса 24° устанавливаемых фитингов. Врезка происходит в двух местах. Первая врезка или уплотнение происходит на конце трубы, позволяя сделать соединение влагонепроницаемым с одной стороны и антираскручиваемым с другой. Вторая врезка (невидимая, так как находится внутри соединения под кольцом), предотвращает воздействие вибрации на первое уплотнение, удерживает кольцо на заданном расстоянии от конца трубы. оригинальная цена 0 Изображения Картинка /images/cms/data/import_files/e8/tn92gg-6llr_524_3.jpg 1C: Специфические свойства Резьба 1 Резьба 2 Выгружать на сайт Страница из каталога Каталог Производитель Тип Серия Диаметр трубы (мм) Тип резьбы (в тело) 1C: Общие свойства Идентификатор каталога 1С 2bc64318-c7bc-4eee-9474-0425ab0962b8 Идентификатор в 1С e89d1a97-0861-11e6-ab07-c81f66120f75
Артикул: 100502.1
TN92GG-6LLR
В наличии
Цена: По запросу
TN92-42LR1.1/4" Объекты каталога Основные параметры Поле title TN92-42LR1.1/4" Поле h1 TN92-42LR1.1/4" Ценовые свойства Цена 0 Склады Общее количество на складах 0 Основные характеристики Артикул 100354.1 Старая цена 0 Описание Ввертные адаптеры (штуцер в тело-труба) - резьбовое соединение с метрической наружной резьбой по DIN2353/ISO8434-1 под трубы или рвд с одной стороны и с наружной резьбой в тело без уплотнения с другой (дополнительно для уплотнения необходимо заказывать уплотнительные кольца - USIT). Поставляется без врезных колец и гаек (для поставки в комплекте просьба указывать - в сборе). Устанавливаются на трубу с помощью врезного кольца и гайки. Врезное кольцо помогает быстро собрать и разобрать соединение, избегая развальцовки, сварки и нарезания резьбы, обеспечивая, таким образом, максимальную простоту и надежность соединения.<br /> Во время закручивания гайки, врезное кольцо деформирует трубу под воздействием силы закручивания и конуса 24° устанавливаемых фитингов. Врезка происходит в двух местах. Первая врезка или уплотнение происходит на конце трубы, позволяя сделать соединение влагонепроницаемым с одной стороны и антираскручиваемым с другой. Вторая врезка (невидимая, так как находится внутри соединения под кольцом), предотвращает воздействие вибрации на первое уплотнение, удерживает кольцо на заданном расстоянии от конца трубы. оригинальная цена 0 Изображения Картинка /images/cms/data/import_files/e8/tn92-42lr1_1_4_524_3.jpg 1C: Специфические свойства Резьба 1 Резьба 2 Выгружать на сайт Страница из каталога Каталог Производитель Тип Серия Диаметр трубы (мм) Тип резьбы (в тело) 1C: Общие свойства Идентификатор каталога 1С 2bc64318-c7bc-4eee-9474-0425ab0962b8 Идентификатор в 1С e89d1a96-0861-11e6-ab07-c81f66120f75
Артикул: 100354.1
TN92-42LR1.1/4"
В наличии
Цена: По запросу
TN93-18LR3/4" Объекты каталога Основные параметры Поле title TN93-18LR3/4" Поле h1 TN93-18LR3/4" Ценовые свойства Цена 464 Склады Общее количество на складах 13 Основные характеристики Артикул 101734.1 Старая цена 0 Описание Ввертные адаптеры (штуцер в тело-труба) - резьбовое соединение с метрической наружной резьбой по DIN2353/ISO8434-1 под трубы или рвд с одной стороны и с наружной конической резьбой в тело с другой (уплотнение происходит по конусу). Поставляется без врезных колец и гаек (для поставки в комплекте просьба указывать - в сборе). Устанавливаются на трубу с помощью врезного кольца и гайки. Врезное кольцо помогает быстро собрать и разобрать соединение, избегая развальцовки, сварки и нарезания резьбы, обеспечивая, таким образом, максимальную простоту и надежность соединения. Во время закручивания гайки, врезное кольцо деформирует трубу под воздействием силы закручивания и конуса 24° устанавливаемых фитингов. Врезка происходит в двух местах. Первая врезка или уплотнение происходит на конце трубы, позволяя сделать соединение влагонепроницаемым с одной стороны и антираскручиваемым с другой. Вторая врезка (невидимая, так как находится внутри соединения под кольцом), предотвращает воздействие вибрации на первое уплотнение, удерживает кольцо на заданном расстоянии от конца трубы. оригинальная цена 0 Изображения Картинка /images/cms/data/import_files/44/tn93-18lr3_4_524_3.jpg 1C: Специфические свойства Резьба 1 Выгружать на сайт Страница из каталога Каталог Производитель Максимальное рабочее давление (bar) Резьба трубная коническая Тип Серия Диаметр трубы (мм) Тип резьбы (в тело) RASTELLI RACCORDI CAST 1C: Общие свойства Идентификатор каталога 1С 2bc64318-c7bc-4eee-9474-0425ab0962b8 Идентификатор в 1С 442a932f-4d15-11e4-aa95-e069950a06cf
Артикул: 101734.1
TN93-18LR3/4"
В наличии
Цена: По запросу
TN92-8L-9/16"-18UNF Объекты каталога Основные параметры Поле title TN92-8L-9/16"-18UNF Поле h1 TN92-8L-9/16"-18UNF Ценовые свойства Цена 0 Склады Общее количество на складах 0 Основные характеристики Старая цена 0 оригинальная цена 0 Изображения Картинка /images/cms/data/import_files/4e/tn92-8l-9_16_-18unf.jpg 1C: Специфические свойства Выгружать на сайт Страница из каталога Каталог Производитель Резьба дюймовая цилиндрическая (UNF) Тип 1C: Общие свойства Идентификатор каталога 1С 2bc64318-c7bc-4eee-9474-0425ab0962b8 Идентификатор в 1С 4e6bc3df-5ce7-11ec-aa69-00155d002700
TN92-8L-9/16"-18UNF
В наличии
Цена: По запросу
TN92-16S-3/4"-16UNF Объекты каталога Основные параметры Поле title TN92-16S-3/4"-16UNF Поле h1 TN92-16S-3/4"-16UNF Ценовые свойства Цена 0 Склады Общее количество на складах 0 Основные характеристики Артикул 100919.1 Старая цена 0 оригинальная цена 0 Изображения Картинка /images/cms/data/import_files/64/tn92-16s-3_4_-16unf_524_3.jpg 1C: Специфические свойства Выгружать на сайт Страница из каталога Каталог Производитель Резьба дюймовая цилиндрическая (UNF) Тип 1C: Общие свойства Идентификатор каталога 1С 2bc64318-c7bc-4eee-9474-0425ab0962b8 Идентификатор в 1С 6473e207-5b73-11ec-aa69-00155d002700
Артикул: 100919.1
TN92-16S-3/4"-16UNF
В наличии
Цена: По запросу
TN92GG-8LR1/2" Объекты каталога Основные параметры Поле title TN92GG-8LR1/2" Поле h1 TN92GG-8LR1/2" Ценовые свойства Цена 246.64 Склады Общее количество на складах 11 Основные характеристики Артикул 100527.1 Старая цена 0 Описание Ввертные адаптеры (штуцер в тело-труба) с уплотнительной вставкой - резьбовое соединение с метрической наружной резьбой по DIN2353/ISO8434-1 под трубы или рвд с одной стороны и с наружной резьбой в тело с уплотнением с другой. Поставляется без колец и гаек (для поставки в комплекте просьба указывать - в сборе). Устанавливаются на трубу с помощью врезного кольца и гайки. Врезное кольцо помогает быстро собрать и разобрать соединение, избегая развальцовки, сварки и нарезания резьбы, обеспечивая, таким образом, максимальную простоту и надежность соединения.<br /> Во время закручивания гайки, врезное кольцо деформирует трубу под воздействием силы закручивания и конуса 24° устанавливаемых фитингов. Врезка происходит в двух местах. Первая врезка или уплотнение происходит на конце трубы, позволяя сделать соединение влагонепроницаемым с одной стороны и антираскручиваемым с другой. Вторая врезка (невидимая, так как находится внутри соединения под кольцом), предотвращает воздействие вибрации на первое уплотнение, удерживает кольцо на заданном расстоянии от конца трубы. оригинальная цена 0 Изображения Картинка /images/cms/data/import_files/27/tn92gg-8lr1_2_524_3.jpg 1C: Специфические свойства Резьба 1 Резьба 2 Выгружать на сайт Страница из каталога Каталог Производитель Максимальное рабочее давление (bar) Тип Серия Диаметр трубы (мм) Тип резьбы (в тело) RASTELLI RACCORDI CAST 1C: Общие свойства Идентификатор каталога 1С 2bc64318-c7bc-4eee-9474-0425ab0962b8 Идентификатор в 1С 27aac9fe-d9a4-11e3-a8a2-642737c1fcdf
Артикул: 100527.1
TN92GG-8LR1/2"
В наличии
Цена: По запросу
TN92-12L-9/16"-18UNF Объекты каталога Основные параметры Поле title TN92-12L-9/16"-18UNF Поле h1 TN92-12L-9/16"-18UNF Ценовые свойства Цена 90.9 Склады Общее количество на складах 53 Основные характеристики Артикул 100907.1 Старая цена 0 Описание Ввертные адаптеры (штуцер в тело-труба) с O-Ring уплотнением - резьбовое соединение с метрической наружной резьбой по DIN2353/ISO8434-1 под трубы или рвд с одной стороны и с наружной резьбой в тело c O-Ring уплотнением с другой. Поставляется без колец и гаек (для поставки в комплекте просьба указывать - в сборе). Устанавливаются на трубу с помощью врезного кольца и гайки. Врезное кольцо помогает быстро собрать и разобрать соединение, избегая развальцовки, сварки и нарезания резьбы, обеспечивая, таким образом, максимальную простоту и надежность соединения.<br /> Во время закручивания гайки, врезное кольцо деформирует трубу под воздействием силы закручивания и конуса 24° устанавливаемых фитингов. Врезка происходит в двух местах. Первая врезка или уплотнение происходит на конце трубы, позволяя сделать соединение влагонепроницаемым с одной стороны и антираскручиваемым с другой. Вторая врезка (невидимая, так как находится внутри соединения под кольцом), предотвращает воздействие вибрации на первое уплотнение, удерживает кольцо на заданном расстоянии от конца трубы. оригинальная цена 0 Изображения Картинка /images/cms/data/import_files/9f/tn92-12l-9_16_-18unf_524_3.jpg 1C: Специфические свойства Резьба 1 Резьба 2 Выгружать на сайт Страница из каталога Каталог Производитель Резьба дюймовая цилиндрическая (UNF) Тип 1C: Общие свойства Идентификатор каталога 1С 2bc64318-c7bc-4eee-9474-0425ab0962b8 Идентификатор в 1С 9f52236b-a2c9-11e4-a8a1-e069950a0664
Артикул: 100907.1
TN92-12L-9/16"-18UNF
В наличии
Цена: По запросу
TN93-6LR Объекты каталога Основные параметры Поле title TN93-6LR Поле h1 TN93-6LR Ценовые свойства Цена 36.56 Склады Общее количество на складах 10 Основные характеристики Артикул 101704.1 Старая цена 0 Описание Ввертные адаптеры (штуцер в тело-труба) - резьбовое соединение с метрической наружной резьбой по DIN2353/ISO8434-1 под трубы или рвд с одной стороны и с наружной конической резьбой в тело с другой (уплотнение происходит по конусу). Поставляется без врезных колец и гаек (для поставки в комплекте просьба указывать - в сборе). Устанавливаются на трубу с помощью врезного кольца и гайки. Врезное кольцо помогает быстро собрать и разобрать соединение, избегая развальцовки, сварки и нарезания резьбы, обеспечивая, таким образом, максимальную простоту и надежность соединения. Во время закручивания гайки, врезное кольцо деформирует трубу под воздействием силы закручивания и конуса 24° устанавливаемых фитингов. Врезка происходит в двух местах. Первая врезка или уплотнение происходит на конце трубы, позволяя сделать соединение влагонепроницаемым с одной стороны и антираскручиваемым с другой. Вторая врезка (невидимая, так как находится внутри соединения под кольцом), предотвращает воздействие вибрации на первое уплотнение, удерживает кольцо на заданном расстоянии от конца трубы. оригинальная цена 0 Изображения Картинка /images/cms/data/import_files/00/tn93-6lr_524_3.jpg 1C: Специфические свойства Резьба 1 Выгружать на сайт Страница из каталога Каталог Производитель Максимальное рабочее давление (bar) Резьба трубная коническая Тип Серия Диаметр трубы (мм) Тип резьбы (в тело) RASTELLI RACCORDI CAST PARKER VOSS LARGA EMB LEGRIS 1C: Общие свойства Идентификатор каталога 1С 2bc64318-c7bc-4eee-9474-0425ab0962b8 Идентификатор в 1С 007d12fa-f05d-11e3-a7d3-e069950a08cc
Артикул: 101704.1
TN93-6LR
В наличии
Цена: По запросу
TN92OR-15LM22x1,5 Объекты каталога Основные параметры Поле title TN92OR-15LM22x1,5 Поле h1 TN92OR-15LM22x1,5 Ценовые свойства Цена 0 Склады Общее количество на складах 0 Основные характеристики Старая цена 0 оригинальная цена 0 Изображения Картинка /images/cms/data/import_files/26/tn92or-15lm22x1_5.jpeg 1C: Специфические свойства Резьба 1 Резьба 2 Выгружать на сайт Страница из каталога Каталог Производитель Тип 1C: Общие свойства Идентификатор каталога 1С 2bc64318-c7bc-4eee-9474-0425ab0962b8 Идентификатор в 1С 26cc94f7-5ae7-11ef-a7b4-00155d00c800
TN92OR-15LM22x1,5
В наличии
Цена: По запросу
TN92GG-14SR3/4" Объекты каталога Основные параметры Поле title TN92GG-14SR3/4" Поле h1 TN92GG-14SR3/4" Ценовые свойства Цена 0 Склады Общее количество на складах 0 Основные характеристики Старая цена 0 оригинальная цена 0 Изображения Картинка /images/cms/data/import_files/ba/tn92gg-14sr3_4.jpg 1C: Специфические свойства Резьба 1 Резьба 2 Выгружать на сайт Страница из каталога Каталог Производитель Максимальное рабочее давление (bar) Тип Серия Диаметр трубы (мм) Тип резьбы (в тело) STAUFF 1C: Общие свойства Идентификатор каталога 1С 2bc64318-c7bc-4eee-9474-0425ab0962b8 Идентификатор в 1С ba3d21dd-58a9-11ef-a7b4-00155d00c800
TN92GG-14SR3/4"
В наличии
Цена: По запросу
TN92OR-25SM Объекты каталога Основные параметры Поле title TN92OR-25SM Поле h1 TN92OR-25SM Ценовые свойства Цена 0 Склады Общее количество на складах 0 Основные характеристики Старая цена 0 оригинальная цена 0 Изображения Картинка /images/cms/data/import_files/87/tn92or-25sm.jpeg 1C: Специфические свойства Резьба 1 Резьба 2 Выгружать на сайт Страница из каталога Каталог Производитель Тип STAUFF 1C: Общие свойства Идентификатор каталога 1С 2bc64318-c7bc-4eee-9474-0425ab0962b8 Идентификатор в 1С 87d1d24b-54a0-11ef-a7b4-00155d00c800
TN92OR-25SM
В наличии
Цена: По запросу
TN92GG-15LM22x1,5 Объекты каталога Основные параметры Поле title TN92GG-15LM22x1,5 Поле h1 TN92GG-15LM22x1,5 Ценовые свойства Цена 258.08 Склады Общее количество на складах 85 Основные характеристики Артикул 100633.1 Старая цена 0 Описание Ввертные адаптеры (штуцер в тело-труба) с уплотнительной вставкой - резьбовое соединение с метрической наружной резьбой по DIN2353/ISO8434-1 под трубы или рвд с одной стороны и с наружной резьбой в тело с уплотнением с другой. Поставляется без колец и гаек (для поставки в комплекте просьба указывать - в сборе). Устанавливаются на трубу с помощью врезного кольца и гайки. Врезное кольцо помогает быстро собрать и разобрать соединение, избегая развальцовки, сварки и нарезания резьбы, обеспечивая, таким образом, максимальную простоту и надежность соединения.<br /> Во время закручивания гайки, врезное кольцо деформирует трубу под воздействием силы закручивания и конуса 24° устанавливаемых фитингов. Врезка происходит в двух местах. Первая врезка или уплотнение происходит на конце трубы, позволяя сделать соединение влагонепроницаемым с одной стороны и антираскручиваемым с другой. Вторая врезка (невидимая, так как находится внутри соединения под кольцом), предотвращает воздействие вибрации на первое уплотнение, удерживает кольцо на заданном расстоянии от конца трубы. оригинальная цена 0 Изображения Картинка /images/cms/data/import_files/2d/tn92gg-15lm22x1_5_524_3.jpg 1C: Специфические свойства Резьба 1 Резьба 2 Выгружать на сайт Страница из каталога Каталог Производитель Тип Серия Диаметр трубы (мм) Тип резьбы (в тело) 1C: Общие свойства Идентификатор каталога 1С 2bc64318-c7bc-4eee-9474-0425ab0962b8 Идентификатор в 1С 2d3fa040-c6ba-11e3-a78f-e069950a08cc
Артикул: 100633.1
TN92GG-15LM22x1,5
В наличии
Цена: По запросу
TN93-8SNPT3/8" Объекты каталога Основные параметры Поле title TN93-8SNPT3/8" Поле h1 TN93-8SNPT3/8" Ценовые свойства Цена 0 Склады Общее количество на складах 0 Основные характеристики Артикул XVN NW 04 HS 3/8 Старая цена 0 Описание Ввертные адаптеры (штуцер в тело-труба) - резьбовое соединение с метрической наружной резьбой по DIN2353/ISO8434-1 под трубы или рвд с одной стороны и с наружной конической резьбой в тело с другой (уплотнение происходит по конусу). Поставляется без врезных колец и гаек (для поставки в комплекте просьба указывать - в сборе). Устанавливаются на трубу с помощью врезного кольца и гайки. Врезное кольцо помогает быстро собрать и разобрать соединение, избегая развальцовки, сварки и нарезания резьбы, обеспечивая, таким образом, максимальную простоту и надежность соединения. Во время закручивания гайки, врезное кольцо деформирует трубу под воздействием силы закручивания и конуса 24° устанавливаемых фитингов. Врезка происходит в двух местах. Первая врезка или уплотнение происходит на конце трубы, позволяя сделать соединение влагонепроницаемым с одной стороны и антираскручиваемым с другой. Вторая врезка (невидимая, так как находится внутри соединения под кольцом), предотвращает воздействие вибрации на первое уплотнение, удерживает кольцо на заданном расстоянии от конца трубы. оригинальная цена 0 Изображения Картинка /images/cms/data/import_files/98/tn93-8snpt3_8_524_3.jpg 1C: Специфические свойства Выгружать на сайт Страница из каталога Каталог Производитель Тип 1C: Общие свойства Идентификатор каталога 1С 2bc64318-c7bc-4eee-9474-0425ab0962b8 Идентификатор в 1С 9863f908-8991-11e8-a525-00155d00c802
Артикул: XVN NW 04 HS 3/8
TN93-8SNPT3/8"
В наличии
Цена: По запросу
TN93-12SNPT1/4" Объекты каталога Основные параметры Поле title TN93-12SNPT1/4" Поле h1 TN93-12SNPT1/4" Ценовые свойства Цена 144.06 Склады Общее количество на складах 16 Основные характеристики Артикул AME12SMN04.1 Старая цена 0 Описание Ввертные адаптеры (штуцер в тело-труба) - резьбовое соединение с метрической наружной резьбой по DIN2353/ISO8434-1 под трубы или рвд с одной стороны и с наружной конической резьбой в тело с другой (уплотнение происходит по конусу). Поставляется без врезных колец и гаек (для поставки в комплекте просьба указывать - в сборе). Устанавливаются на трубу с помощью врезного кольца и гайки. Врезное кольцо помогает быстро собрать и разобрать соединение, избегая развальцовки, сварки и нарезания резьбы, обеспечивая, таким образом, максимальную простоту и надежность соединения. Во время закручивания гайки, врезное кольцо деформирует трубу под воздействием силы закручивания и конуса 24° устанавливаемых фитингов. Врезка происходит в двух местах. Первая врезка или уплотнение происходит на конце трубы, позволяя сделать соединение влагонепроницаемым с одной стороны и антираскручиваемым с другой. Вторая врезка (невидимая, так как находится внутри соединения под кольцом), предотвращает воздействие вибрации на первое уплотнение, удерживает кольцо на заданном расстоянии от конца трубы. оригинальная цена 0 Изображения Картинка /images/cms/data/import_files/05/tn93-12snpt1_4_524_3.jpg 1C: Специфические свойства Выгружать на сайт Страница из каталога Каталог Производитель Тип 1C: Общие свойства Идентификатор каталога 1С 2bc64318-c7bc-4eee-9474-0425ab0962b8 Идентификатор в 1С 05b7c1c2-7b83-11e8-a525-00155d00c802
Артикул: AME12SMN04.1
TN93-12SNPT1/4"
В наличии
Цена: По запросу
TN92GG-25SR1/2" Объекты каталога Основные параметры Поле title TN92GG-25SR1/2" Поле h1 TN92GG-25SR1/2" Ценовые свойства Цена 597.6 Склады Общее количество на складах 10 Основные характеристики Артикул XVR NW 20 HS ½ ed Старая цена 0 Описание Ввертные адаптеры (штуцер в тело-труба) с уплотнительной вставкой - резьбовое соединение с метрической наружной резьбой по DIN2353/ISO8434-1 под трубы или рвд с одной стороны и с наружной резьбой в тело с уплотнением с другой. Поставляется без колец и гаек (для поставки в комплекте просьба указывать - в сборе). Устанавливаются на трубу с помощью врезного кольца и гайки. Врезное кольцо помогает быстро собрать и разобрать соединение, избегая развальцовки, сварки и нарезания резьбы, обеспечивая, таким образом, максимальную простоту и надежность соединения.<br /> Во время закручивания гайки, врезное кольцо деформирует трубу под воздействием силы закручивания и конуса 24° устанавливаемых фитингов. Врезка происходит в двух местах. Первая врезка или уплотнение происходит на конце трубы, позволяя сделать соединение влагонепроницаемым с одной стороны и антираскручиваемым с другой. Вторая врезка (невидимая, так как находится внутри соединения под кольцом), предотвращает воздействие вибрации на первое уплотнение, удерживает кольцо на заданном расстоянии от конца трубы. оригинальная цена 0 Изображения Картинка /images/cms/data/import_files/7c/tn92gg-25sr1_2_524_3.jpg 1C: Специфические свойства Резьба 1 Резьба 2 Выгружать на сайт Страница из каталога Каталог Производитель Тип Серия Диаметр трубы (мм) Тип резьбы (в тело) 1C: Общие свойства Идентификатор каталога 1С 2bc64318-c7bc-4eee-9474-0425ab0962b8 Идентификатор в 1С 7c68ccf1-42fc-11e8-a525-00155d00c802
Артикул: XVR NW 20 HS ½ ed
TN92GG-25SR1/2"
В наличии
Цена: По запросу
TN93-10LNPT1/2" Объекты каталога Основные параметры Поле title TN93-10LNPT1/2" Поле h1 TN93-10LNPT1/2" Ценовые свойства Цена 93.92 Склады Общее количество на складах 15 Основные характеристики Артикул 101830.1 Старая цена 0 Описание Ввертные адаптеры (штуцер в тело-труба) - резьбовое соединение с метрической наружной резьбой по DIN2353/ISO8434-1 под трубы или рвд с одной стороны и с наружной конической резьбой в тело с другой (уплотнение происходит по конусу). Поставляется без врезных колец и гаек (для поставки в комплекте просьба указывать - в сборе). Устанавливаются на трубу с помощью врезного кольца и гайки. Врезное кольцо помогает быстро собрать и разобрать соединение, избегая развальцовки, сварки и нарезания резьбы, обеспечивая, таким образом, максимальную простоту и надежность соединения. Во время закручивания гайки, врезное кольцо деформирует трубу под воздействием силы закручивания и конуса 24° устанавливаемых фитингов. Врезка происходит в двух местах. Первая врезка или уплотнение происходит на конце трубы, позволяя сделать соединение влагонепроницаемым с одной стороны и антираскручиваемым с другой. Вторая врезка (невидимая, так как находится внутри соединения под кольцом), предотвращает воздействие вибрации на первое уплотнение, удерживает кольцо на заданном расстоянии от конца трубы. оригинальная цена 0 Изображения Картинка /images/cms/data/import_files/6a/tn93-10lnpt1_2_524_3.jpg 1C: Специфические свойства Выгружать на сайт Страница из каталога Каталог Производитель Тип 1C: Общие свойства Идентификатор каталога 1С 2bc64318-c7bc-4eee-9474-0425ab0962b8 Идентификатор в 1С 6a87a4ab-e582-11e3-a410-e069950a08cc
Артикул: 101830.1
TN93-10LNPT1/2"
В наличии
Цена: По запросу
TN92GG-18LR ZnNi (K) Объекты каталога Основные параметры Поле title TN92GG-18LR ZnNi (K) Поле h1 TN92GG-18LR ZnNi (K) Ценовые свойства Цена 69.36 Склады Общее количество на складах 100 Основные характеристики Артикул 100509.1 Старая цена 0 оригинальная цена 0 Изображения Картинка /images/cms/data/import_files/63/tn92gg-18lr_znni_k_524_1.jpg 1C: Специфические свойства Резьба 1 Резьба 2 Выгружать на сайт Страница из каталога Каталог Максимальное рабочее давление (bar) Тип Серия Диаметр трубы (мм) Тип резьбы (в тело) RASTELLI RACCORDI CAST PARKER VOSS LARGA EMB ARCO LEGRIS STAUFF 1C: Общие свойства Идентификатор каталога 1С 2bc64318-c7bc-4eee-9474-0425ab0962b8 Идентификатор в 1С 6357be63-14dd-11ed-a322-00155d002700
Артикул: 100509.1
TN92GG-18LR ZnNi (K)
В наличии
Цена: По запросу
TN92GG-18LM ZnNi (K) Объекты каталога Основные параметры Поле title TN92GG-18LM ZnNi (K) Поле h1 TN92GG-18LM ZnNi (K) Ценовые свойства Цена 60.43 Склады Общее количество на складах 212 Основные характеристики Артикул 100609.1 Старая цена 0 оригинальная цена 0 Изображения Картинка /images/cms/data/import_files/47/tn92gg-18lm_znni_k_524_1.jpg 1C: Специфические свойства Резьба 1 Резьба 2 Выгружать на сайт Страница из каталога Каталог Тип Серия Диаметр трубы (мм) Тип резьбы (в тело) 1C: Общие свойства Идентификатор каталога 1С 2bc64318-c7bc-4eee-9474-0425ab0962b8 Идентификатор в 1С 47b34963-14dd-11ed-a322-00155d002700
Артикул: 100609.1
TN92GG-18LM ZnNi (K)
В наличии
Цена: По запросу
TN92GG-16SR ZnNi (K) Объекты каталога Основные параметры Поле title TN92GG-16SR ZnNi (K) Поле h1 TN92GG-16SR ZnNi (K) Ценовые свойства Цена 69.19 Склады Общее количество на складах 288 Основные характеристики Артикул 100519.1 Старая цена 0 оригинальная цена 0 Изображения Картинка /images/cms/data/import_files/1d/tn92gg-16sr_znni_k_524_1.jpg 1C: Специфические свойства Резьба 1 Резьба 2 Выгружать на сайт Страница из каталога Каталог Максимальное рабочее давление (bar) Тип Серия Диаметр трубы (мм) Тип резьбы (в тело) RASTELLI RACCORDI CAST PARKER VOSS LARGA EMB ARCO LEGRIS Hydroscand DICSA Vitillo 1C: Общие свойства Идентификатор каталога 1С 2bc64318-c7bc-4eee-9474-0425ab0962b8 Идентификатор в 1С 1d805c43-14dd-11ed-a322-00155d002700
Артикул: 100519.1
TN92GG-16SR ZnNi (K)
В наличии
Цена: По запросу
TN92GG-15LM16x1,5 ZnNi (K) Объекты каталога Основные параметры Поле title TN92GG-15LM16x1,5 ZnNi (K) Поле h1 TN92GG-15LM16x1,5 ZnNi (K) Ценовые свойства Цена 51.29 Склады Общее количество на складах 176 Основные характеристики Артикул 100632.1 Старая цена 0 оригинальная цена 0 Изображения Картинка /images/cms/data/import_files/d1/tn92gg-15lm16x1_5_znni_k_524_1.jpg 1C: Специфические свойства Резьба 1 Резьба 2 Выгружать на сайт Страница из каталога Каталог Тип Серия Диаметр трубы (мм) Тип резьбы (в тело) 1C: Общие свойства Идентификатор каталога 1С 2bc64318-c7bc-4eee-9474-0425ab0962b8 Идентификатор в 1С d1396197-14dc-11ed-a322-00155d002700
Артикул: 100632.1
TN92GG-15LM16x1,5 ZnNi (K)
В наличии
Цена: По запросу
TN92GG-12LR1/4" ZnNi (K) Объекты каталога Основные параметры Поле title TN92GG-12LR1/4" ZnNi (K) Поле h1 TN92GG-12LR1/4" ZnNi (K) Ценовые свойства Цена 33.6 Склады Общее количество на складах 232 Основные характеристики Артикул 100531.1 Старая цена 0 оригинальная цена 0 Изображения Картинка /images/cms/data/import_files/a0/tn92gg-12lr1_4_znni_k_524_1.jpg 1C: Специфические свойства Резьба 1 Резьба 2 Выгружать на сайт Страница из каталога Каталог Максимальное рабочее давление (bar) Тип Серия Диаметр трубы (мм) Тип резьбы (в тело) RASTELLI RACCORDI CAST PARKER VOSS LARGA EMB ARCO LEGRIS 1C: Общие свойства Идентификатор каталога 1С 2bc64318-c7bc-4eee-9474-0425ab0962b8 Идентификатор в 1С a08fcb6b-14dc-11ed-a322-00155d002700
Артикул: 100531.1
TN92GG-12LR1/4" ZnNi (K)
В наличии
Цена: По запросу
TN92GG-12LM14x1,5 ZnNi (K) Объекты каталога Основные параметры Поле title TN92GG-12LM14x1,5 ZnNi (K) Поле h1 TN92GG-12LM14x1,5 ZnNi (K) Ценовые свойства Цена 40.36 Склады Общее количество на складах 214 Основные характеристики Артикул 100629.1 Старая цена 0 оригинальная цена 0 Изображения Картинка /images/cms/data/import_files/65/tn92gg-12lm14x1_5_znni_k_524_1.jpg 1C: Специфические свойства Резьба 1 Резьба 2 Выгружать на сайт Страница из каталога Каталог Тип Серия Диаметр трубы (мм) Тип резьбы (в тело) 1C: Общие свойства Идентификатор каталога 1С 2bc64318-c7bc-4eee-9474-0425ab0962b8 Идентификатор в 1С 654f35db-14dc-11ed-a322-00155d002700
Артикул: 100629.1
TN92GG-12LM14x1,5 ZnNi (K)
В наличии
Цена: По запросу
Приносим свои извинения, если:
описание, габариты, комплект поставки, технические характеристики, страна производства, коды производителей, внешний вид в описании и цвет товара оказались неточными. Просим Вас требовать у продавца предоставление дополнительной технической документации или проверки в Вашем присутствии или удаленно комплектации, а также наличие и работоспособность как интересующих Вас в товаре функций, так и товара в целом, до его оплаты.